AR132127/90 - Curva 90° rinvio (andata) raggio medio 200 mm / Componenti per canale 127 mm / Aluflex / Prodotti / Alutec | Profili in alluminio, sistemi di trasporto e automazione industriale - Alutec Group
AR132127/90 - Curva 90° rinvio (andata) raggio medio 200 mm / Componenti per canale 127 mm / Aluflex / Prodotti / Alutec | Profili in alluminio, sistemi di trasporto e automazione industriale - Alutec Group

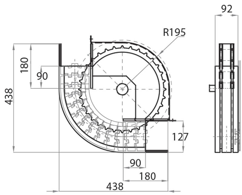
Curva 90° rinvio (andata) raggio medio 200 mm

cod. AR132127/90

Curva 90° rinvio (andata) raggio medio 200 mm


Download
Per poter visaulizzare i file (Disegni tecnici, DXF, DWG...) devi essere registrato e autenticato
Registrati o autenticati
Riferimento Dimensione canale (mm) Larghezza catena (mm) Raggio medio (mm) Angolo
AR132127/90 127 114,3 200 90°
AR100127/90* 127 114,3 200 90°
* Ruota senza denti