AR132127-90 - Einseitige 90° Leerlaufkurve mittlerer Radius 200 mm / Komponenten für Rinne 127 mm / Aluflex-Kettenförderer / Produkte / Alutec | Profili in alluminio, sistemi di trasporto e automazione industriale - Alutec
AR132127-90 - Einseitige 90° Leerlaufkurve mittlerer Radius 200 mm / Komponenten für Rinne 127 mm / Aluflex-Kettenförderer / Produkte / Alutec | Profili in alluminio, sistemi di trasporto e automazione industriale - Alutec

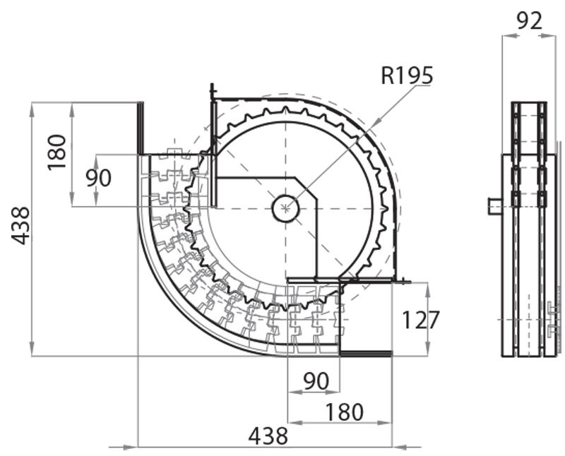
Einseitige 90° Leerlaufkurve mittlerer Radius 200 mm

cod. AR132127-90

Einseitige 90° Leerlaufkurve mittlerer Radius 200 mm


Download
Um Dateien (technische Zeichnungen, DXF, DWG...) ansehen zu können, müssen Sie registriert und authentifiziert sein
Registrieren o authentifizieren
Produkt No. Kanalabmessung (mm) Kettenbreite (mm) Mittlerer Radius (mm) Winkel
AR132127-90 127 114,3 200 90°
AR100127-90* 127 114,3 200 90°
* Reifen ohne Zacken