AR132127-90 - One way 90° idle curve average radius 200 mm / Components for channel 127 mm / Aluflex chain conveyors / Products / Alutec | Profili in alluminio, sistemi di trasporto e automazione industriale - Alutec
AR132127-90 - One way 90° idle curve average radius 200 mm / Components for channel 127 mm / Aluflex chain conveyors / Products / Alutec | Profili in alluminio, sistemi di trasporto e automazione industriale - Alutec

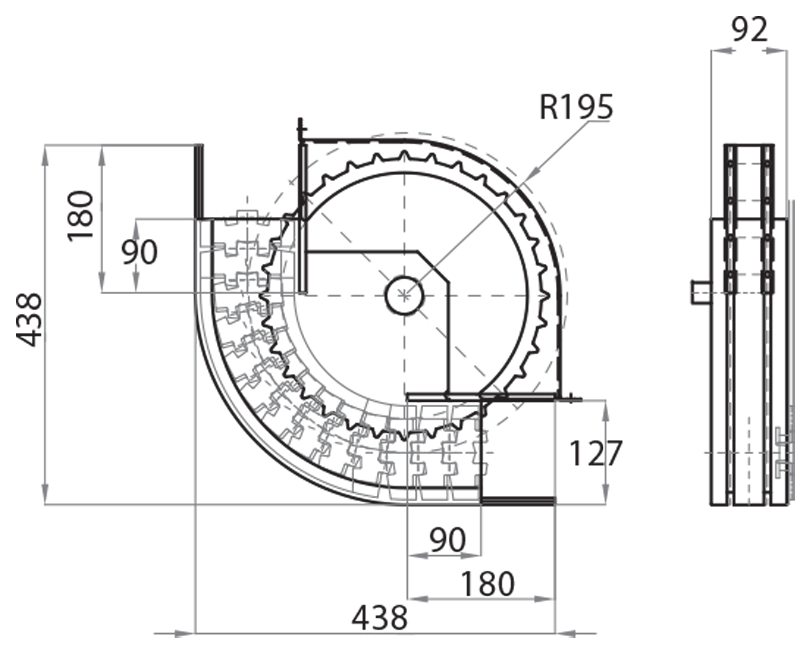
One way 90° idle curve average radius 200 mm

cod. AR132127-90

One way 90° idle curve average radius 200 mm


Download
To be able to view files (technical drawings, DXF, DWG...) you must be registered and authenticated
Register o log In
Art. No. Channel dimension (mm) Chain width (mm) Medium radius (mm) Angle
AR132127-90 127 114,3 200 90°
AR100127-90* 127 114,3 200 90°
* Tire without teeth