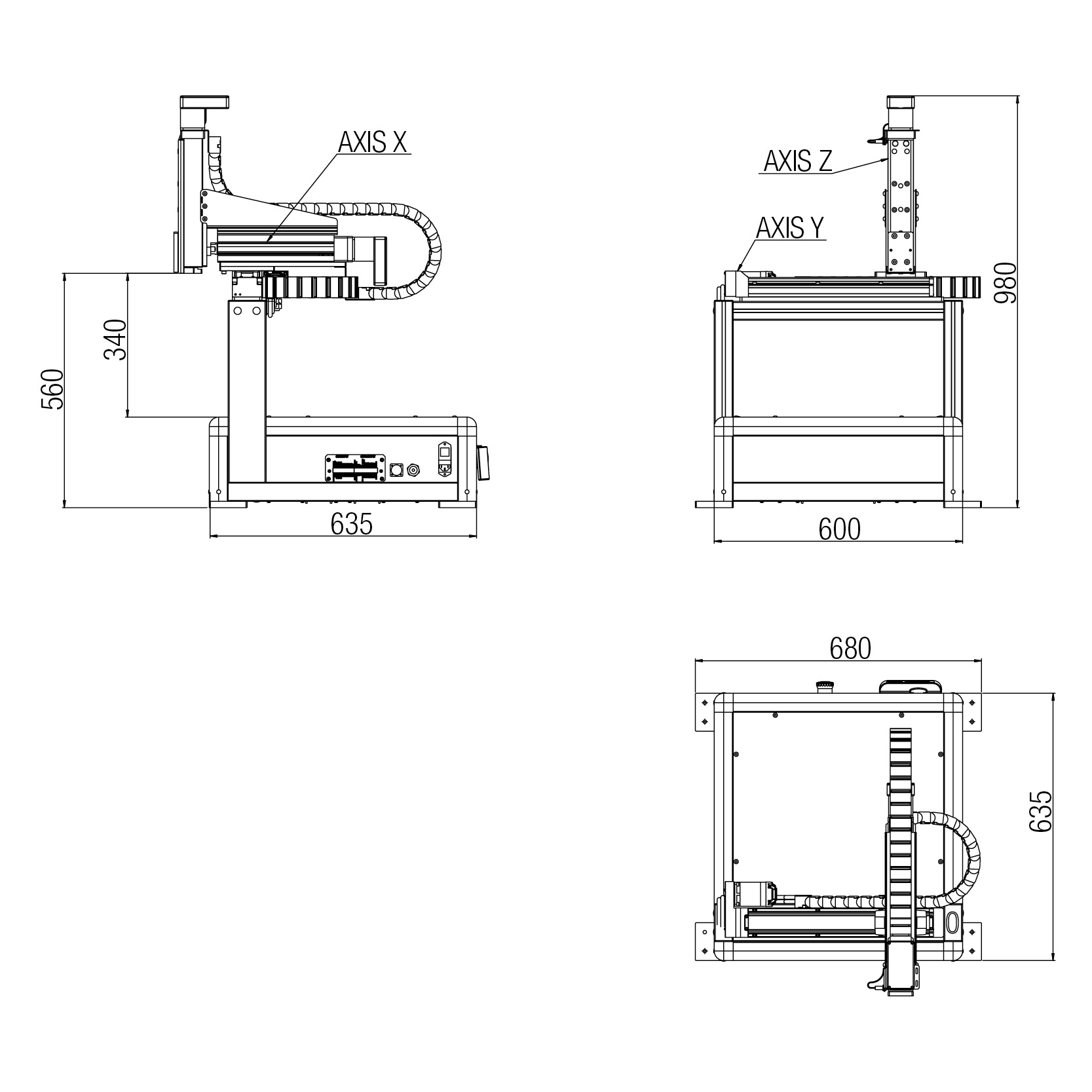
AXES MOTION SYSTEM: 3 AXES
The movement is assured by a toothed belt, bearing guides on hardened shafts and bipolar stepper motor: these all help WRL300 to combine the high precision and repetition of the belts and bearings with the high performance of the motors. The SW programming software included, designed specifically for dispensing fluids, allows the operator to program even the most complex paths. The WRL300 front panel is also fitted not only with START and EMERGENCY operator buttons, but also a functional controller with LCD display, used to call up the main software functions, including program selection, program execution controls, alarm display, input-output menu, etc. Furthermore, 2 digital inputs and 4 digital outputs are also available for connection to external devices (e.g. dispensing valves, level sensors, general enabling signals, etc.) which can be fully configured by the user.
Applications:
| X/Y/Z {R} Work Area (mm) | 300 / 150 / 145 |
| Worktable Load / Tool {R} | load on the work surface 5 Kg |
| Max. Speed X,Y,Z | 400 (mm/sec) MAX |
| Repeatability | ±0.015 mm/axis |
| Resolution | 0,04 mm/axis |
| Pitch Screw | 8 mm |
| Data Memory | 100.000 Points / 255 programs |
| Drive System | stepper motors |
| Interpolation | point to point & continuous path |
| Programming Method | remote mode (self-learning) through PC software |
| I/O Signals | 16 input / 16 output |
| External Interface | USB / RS232 /Analogue output optional |
| Power Supply | 100-240 VAC, 50/60 Hz 500 Watts |
| Dimensions (WxDxH) mm | 600x635x930 |
| Weight | 45 Kg |



