ACHSEN-BEWEGUNGSSYSTEM: 3 ACHSEN
Die Bewegung wird durch einen Zahnriemen, Lagerführungen auf gehärteten Wellen und einen zweipoligen Schrittmotor gewährleistet: All dies trägt dazu bei, dass der WRL300 die hohe Präzision und Wiederholgenauigkeit der Riemen und Lager mit der hohen Leistung der Motoren verbindet. Die mitgelieferte SW-Programmiersoftware, die speziell für die Dosierung von Flüssigkeiten entwickelt wurde, ermöglicht es dem Bediener, selbst die komplexesten Bahnen zu programmieren. Die Frontplatte des WRL300 ist nicht nur mit START- und NOT-Tasten ausgestattet, sondern auch mit einem funktionellen Controller mit LCD-Display, über den die wichtigsten Softwarefunktionen aufgerufen werden können, darunter die Programmauswahl, die Steuerung der Programmausführung, die Alarmanzeige, das Eingangs-/Ausgangsmenü usw. Darüber hinaus stehen 2 digitale Eingänge und 4 digitale Ausgänge für den Anschluss externer Geräte (z.B. Dosierventile, Füllstandssensoren, allgemeine Freigabesignale, usw.) zur Verfügung, die vom Benutzer vollständig konfiguriert werden können.
Die Bewegung wird durch einen Zahnriemen, Lagerführungen auf gehärteten Wellen und einen zweipoligen Schrittmotor gewährleistet: All dies trägt dazu bei, dass der WRL300 die hohe Präzision und Wiederholgenauigkeit der Riemen und Lager mit der hohen Leistung der Motoren verbindet. Die mitgelieferte SW-Programmiersoftware, die speziell für die Dosierung von Flüssigkeiten entwickelt wurde, ermöglicht es dem Bediener, selbst die komplexesten Bahnen zu programmieren. Die Frontplatte des WRL300 ist nicht nur mit START- und NOT-Tasten ausgestattet, sondern auch mit einem funktionellen Controller mit LCD-Display, über den die wichtigsten Softwarefunktionen aufgerufen werden können, darunter die Programmauswahl, die Steuerung der Programmausführung, die Alarmanzeige, das Eingangs-/Ausgangsmenü usw. Darüber hinaus stehen 2 digitale Eingänge und 4 digitale Ausgänge für den Anschluss externer Geräte (z.B. Dosierventile, Füllstandssensoren, allgemeine Freigabesignale, usw.) zur Verfügung, die vom Benutzer vollständig konfiguriert werden können.
Anwendungen:
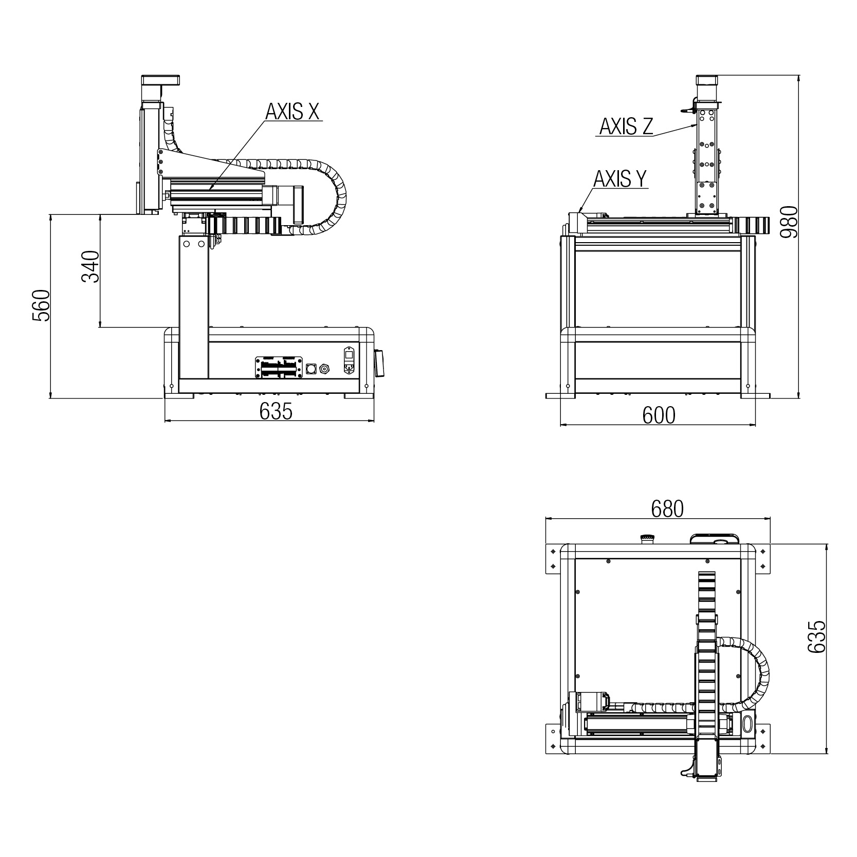
| X/Y/Z {R} Arbeitsbereich (mm) | 300 / 150 / 145 |
| Arbeitstisch Last / Werkzeug {R} | Belastung der Arbeitsfläche 5 kg |
| Max. Geschwindigkeit X,Y,Z | 400 (mm/sec) MAX |
| Wiederholbarkeit | ±0.015 mm/axis |
| Auflösung | 0,04 mm/axis |
| Pitch Screw | 8 mm |
| Datenspeicher | 100.000 Punkte/ 255 Programme |
| Antriebssystem | Schrittmotoren |
| Interpolation | Punkt zu Punkt & kontinuierlicher Pfad |
| Programmiermethode | Remote-Modus (Selbstlernmodus) über PC-Software |
| I/O Signale | 16 input / 16 output |
| Externe Schnittstelle | USB / RS232 /Analogausgang optional |
| Stromversorgung | 100-240 VAC, 50/60 Hz 500 Watts |
| Abmessungen(WxDxH) mm | 600x635x930 |
| Gewicht | 45 Kg |



