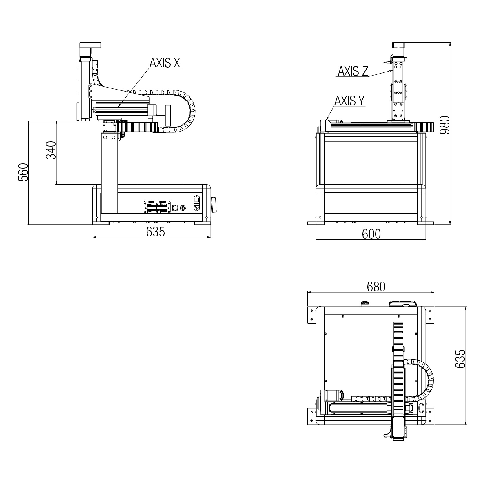
MOVIMENTAZIONE 3 ASSI
Il robot è costituito da assi X,Y con trasmissione a cinghia dentata e guide lineari a ricircolo di sfere che mantengono una elevata precisione e ripetibilità e motori stepper coniugando l’elevata precisione e ripetibilità di cinghie e cuscinetti, alle elevate prestazioni dei motori stepper. Il software di programmazione ALPHA SW, dato in dotazione con il robot, appositamente progettato per la dispensazione, facilita l’operatore nella programmazione anche dei percorsi più complessi. Il pannello frontale inoltre è equipaggiato con pulsanti operatore di START ed EMERGENZA, ma anche con un funzionale controller con display LCD incorporato, da cui si possono richiamare le principali funzioni del software, come selezione programma, comandi esecuzione programma, visualizzazione allarmi, menu input-output, ecc. Sono inoltre disponibili 2 ingressi digitali e 4 uscite digitali per connettere dispositivi esterni (per es. valvole di dispensazione, sensori di livello, consensi generici, ecc.) completamente configurabili.
Applicazioni:
| X/Y/Z {R} Area di Lavoro (mm) | 300 / 150 / 145 |
| Carico trasportabile | piano di lavoro 5 Kg |
| Velocità massima X,Y,Z | 400 (mm/sec) MAX |
| Ripetibilità | ±0.015 mm/axis |
| Risoluzione | 0.004 mm/axis |
| Passo a vite | 8 mm |
| Memoria del Sistema | 100.000 Points / 255 programs |
| Motori | stepper motors |
| Interpolazione | point to point & continuous path |
| Metodo di programmazione | modalità remota tramite software PC |
| Ingressi/Uscite | 16 input / 16 output |
| Interfacce esterne | USB / RS232 /Uscita analogica opzionale |
| Alimentazione elettrica | 100-240 VAC, 50/60 Hz 500 Watts |
| Dimensioni (LxPxH) mm | 600x635x930 |
| Peso | 45 Kg |



