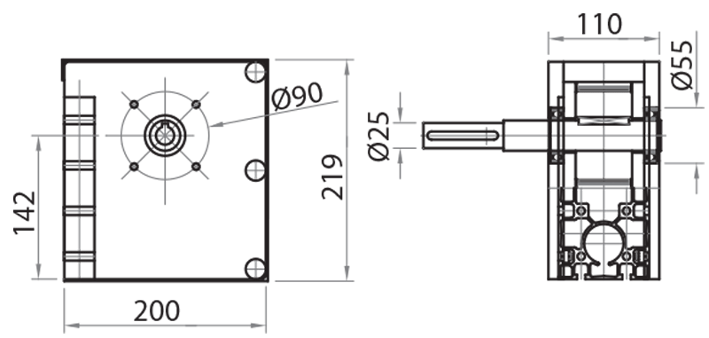
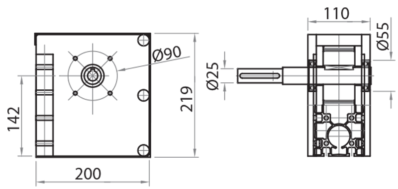
| Art. No. | Material | Pulleys | Shaft and gear motor fastening (mm) | Type | Weight (Kg) |
|---|---|---|---|---|---|
| 809052 | aluminium and steel | z 30 dp=95,49 de=93,65 |
Ø25 | for belt 50AT10 | 5,7 |
Suitable for MVF49 Bonfiglioli fastening.
Available also for MVF63 Bonfiglioli gear motor.
Available also for MVF63 Bonfiglioli gear motor.


