| Produkt No. | Material | Umlenkrollen | Wellen und Getriebemotorbefestigung (mm) | Type | Gewicht (Kg) | 
|---|---|---|---|---|---|
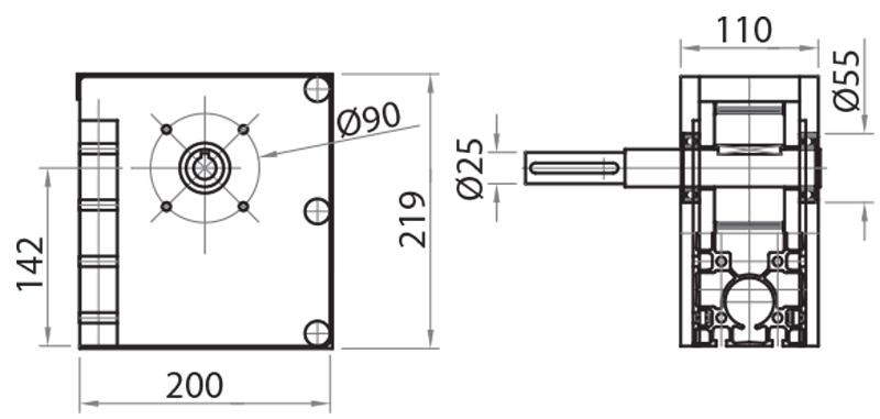
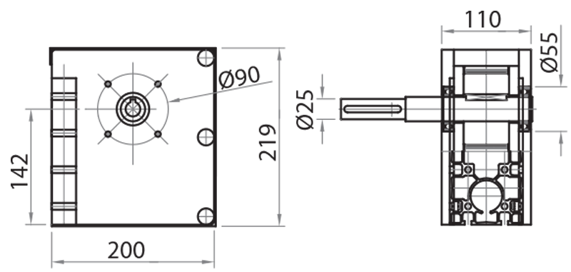
| 809052 | Aluminium und Stahl | z 30 Teilung Ø=95,49 mm Extern Ø=93,65 mm | Ø25 | für Band 50AT10 | 5,700 | 
Geeignet für MVF49 Bonfiglioli-Befestigung.
Auch für MVF63 Bonfiglioli-Getriebemotor erhältlich.
Auch für MVF63 Bonfiglioli-Getriebemotor erhältlich.


