| Riferimento | Materiale | Pulegge | Attacco albero e motoriduttore (mm) | Tipo | Peso (Kg) |
|---|---|---|---|---|---|
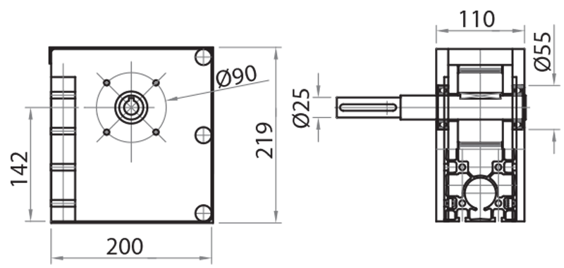
| 809052 | alluminio e acciaio | z 30 Ø primitivo=95,49 mm Ø esterno=93,65 mm |
Ø25 | per cinghia 50AT10 | 5,700 |
Predisposta per attacco per MVF49 Bonfiglioli.
Disponibile anche con attacco per MVF63 Bonfiglioli.


