| Art. No. | Material | Pulleys | Shaft and gear motor fastening (mm) | Type | Weight (Kg) |
|---|---|---|---|---|---|
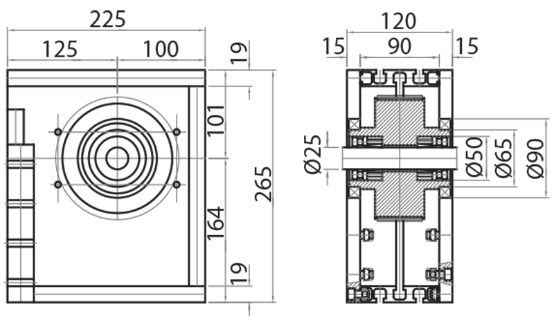
| 809050 | aluminium and steel | z 44 de=140,06 dp=138,20 |
Ø25 | for belt 50AT10 | 9,1 |
Suitable for MVF49 Bonfiglioli fastening.
Available also for MVF63 Bonfiglioli gear motor.
Available also for MVF63 Bonfiglioli gear motor.


