| Riferimento | Materiale | Pulegge | Attacco albero e motoriduttore (mm) | Tipo | Peso (Kg) |
|---|---|---|---|---|---|
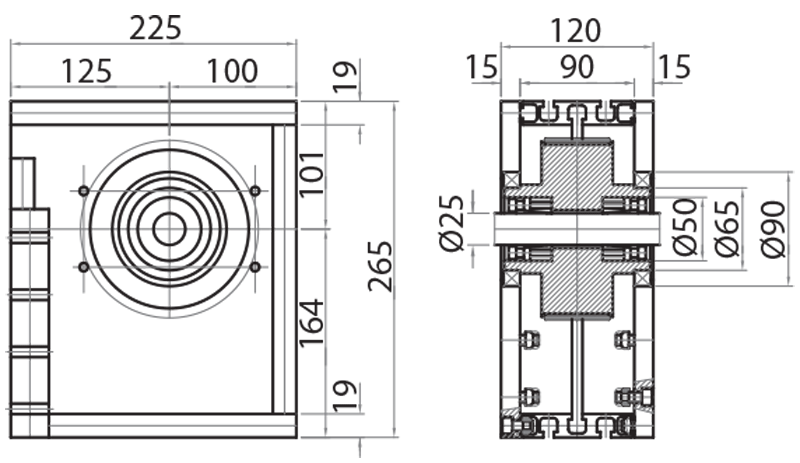
| 809050 | alluminio e acciaio | z 44 Ø primitivo=140,06 mm Ø esterno=138,20 mm |
Ø25 | per cinghia 50AT10 | 9,100 |
Predisposta per attacco per MVF49 Bonfiglioli.
Disponibile anche con attacco per MVF63 Bonfiglioli.


