| Produkt No. | Material | Umlenkrollen | Wellen und Getriebemotorbefestigung (mm) | Type | Gewicht (Kg) |
|---|---|---|---|---|---|
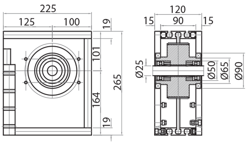
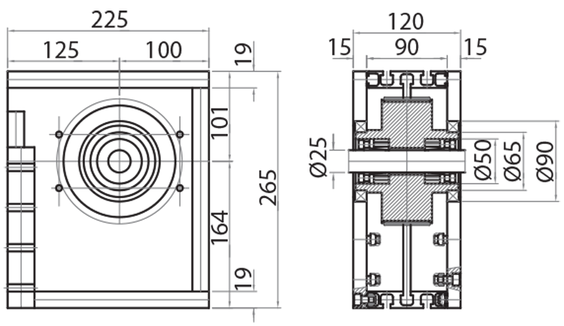
| 809050 | Aluminium und Stahl | z 44 Teilung Ø=140,06 mm Extern Ø=138,20 mm |
Ø25 | für Band 50AT10 | 9,100 |
Geeignet für MVF49 Bonfiglioli-Befestigung.
Auch für MVF63 Bonfiglioli-Getriebemotor erhältlich.
Auch für MVF63 Bonfiglioli-Getriebemotor erhältlich.


