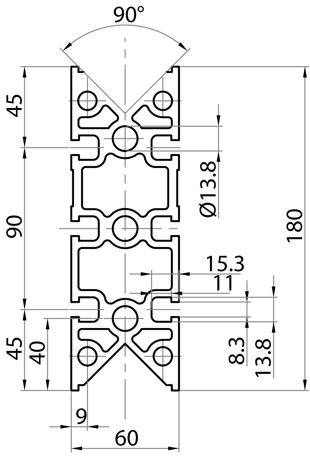
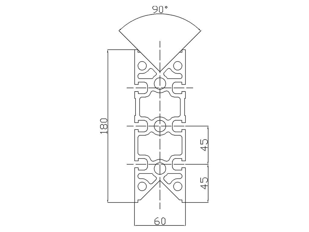
| Bending moment of inertia lx | Bending moment of inertia ly | Color | Anodizing | Hardness | Art. No. | Weight |
|---|---|---|---|---|---|---|
| 1.193,07 cm4 | 168,50 cm4 | Bronze | Hard | HB 60:75 | 180600 | 11,265 Kg/m |
| Bending moment of inertia lx | Bending moment of inertia ly | Color | Anodizing | Hardness | Art. No. | Weight |
|---|---|---|---|---|---|---|
| 1.193,07 cm4 | 168,50 cm4 | Bronze | Hard | HB 60:75 | 180600 | 11,265 Kg/m |


