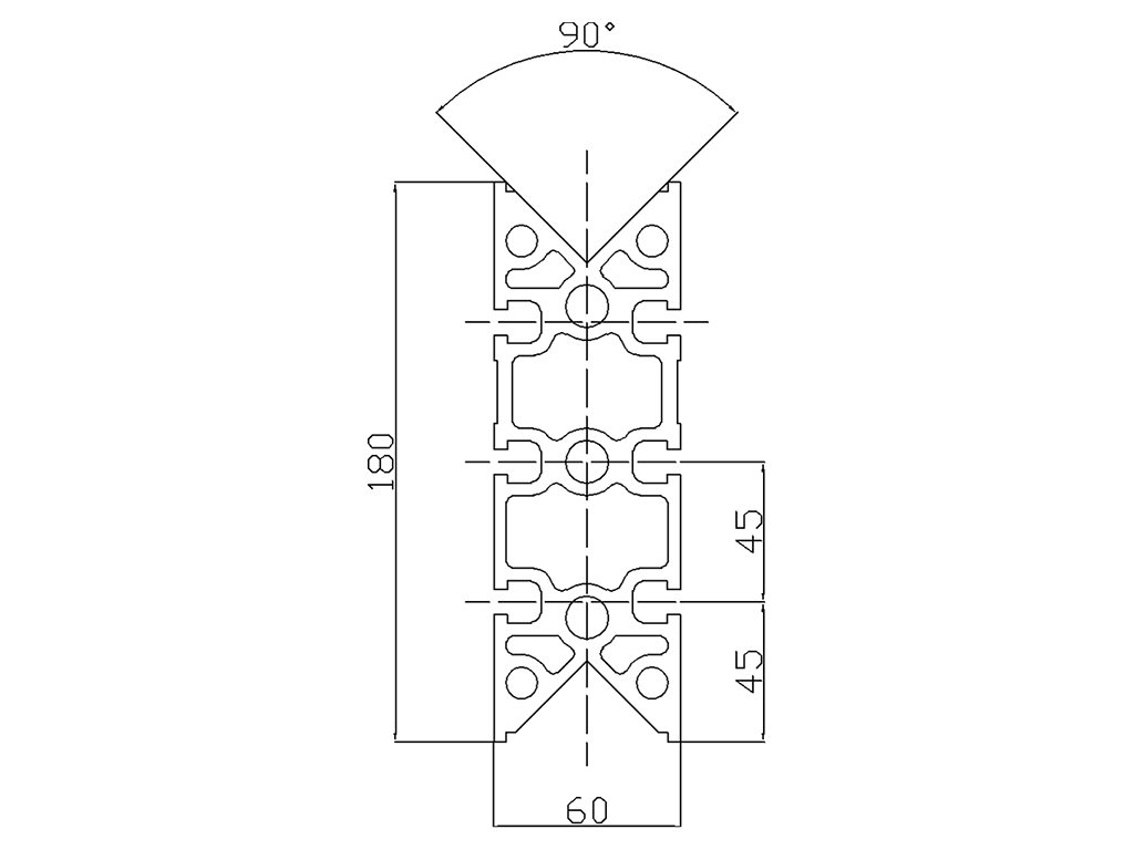
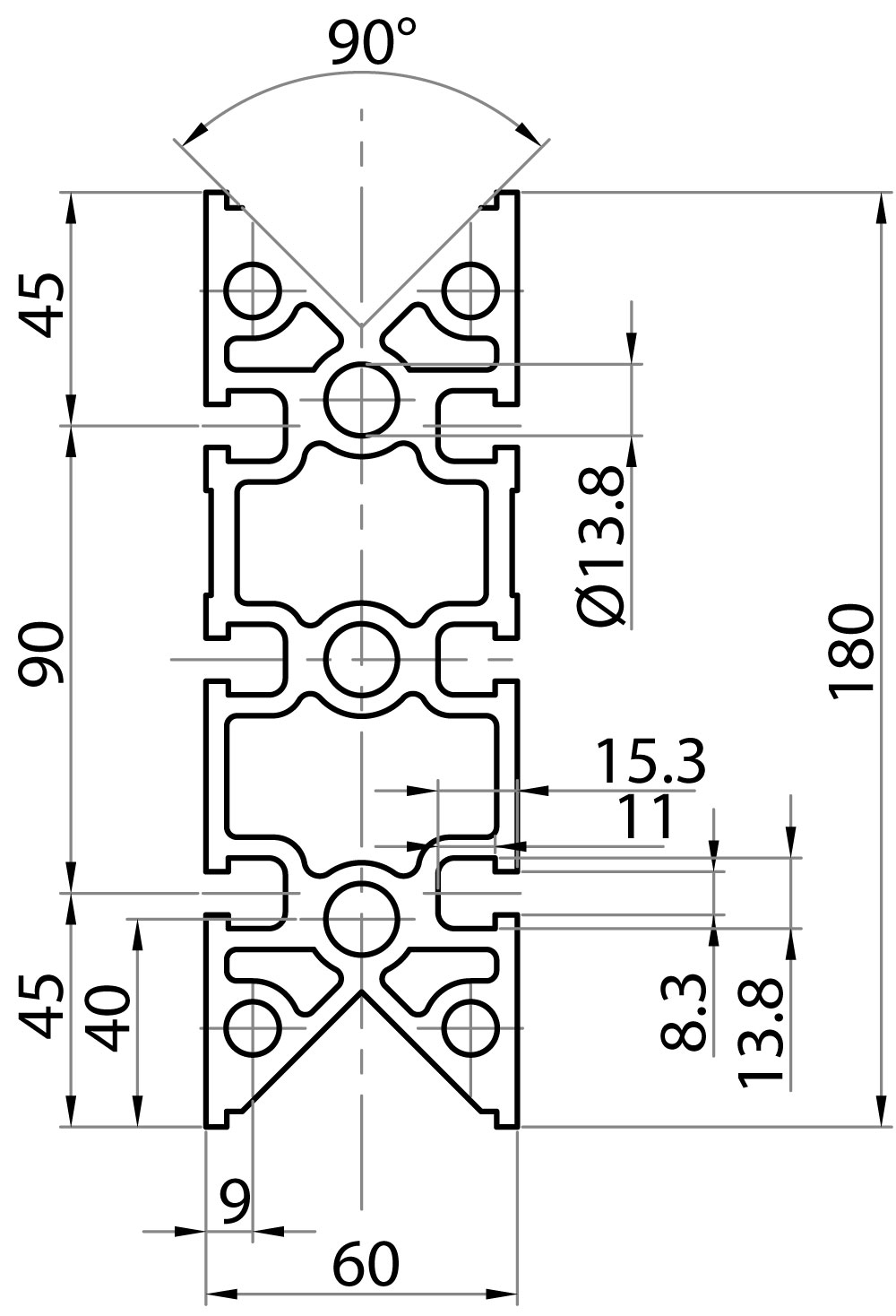
| Traegheitsmoment lx | Traegheitsmoment ly | Farb | Eloxieren | Härte | Produkt No. | Gewicht |
|---|---|---|---|---|---|---|
| 1.193,07 cm4 | 168,50 cm4 | Bronze | Hart | HB 60:75 | 180600 | 11,265 Kg/m |
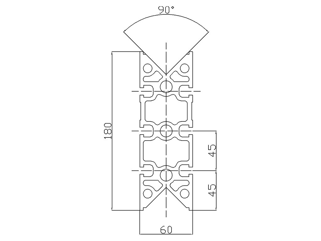
| Traegheitsmoment lx | Traegheitsmoment ly | Farb | Eloxieren | Härte | Produkt No. | Gewicht |
|---|---|---|---|---|---|---|
| 1.193,07 cm4 | 168,50 cm4 | Bronze | Hart | HB 60:75 | 180600 | 11,265 Kg/m |


