| Flessione momento di inerzia lx | Flessione momento di inerzia ly | Colore | Tipo di anodizzazione | Durezza | Riferimento | Peso | 
|---|---|---|---|---|---|---|
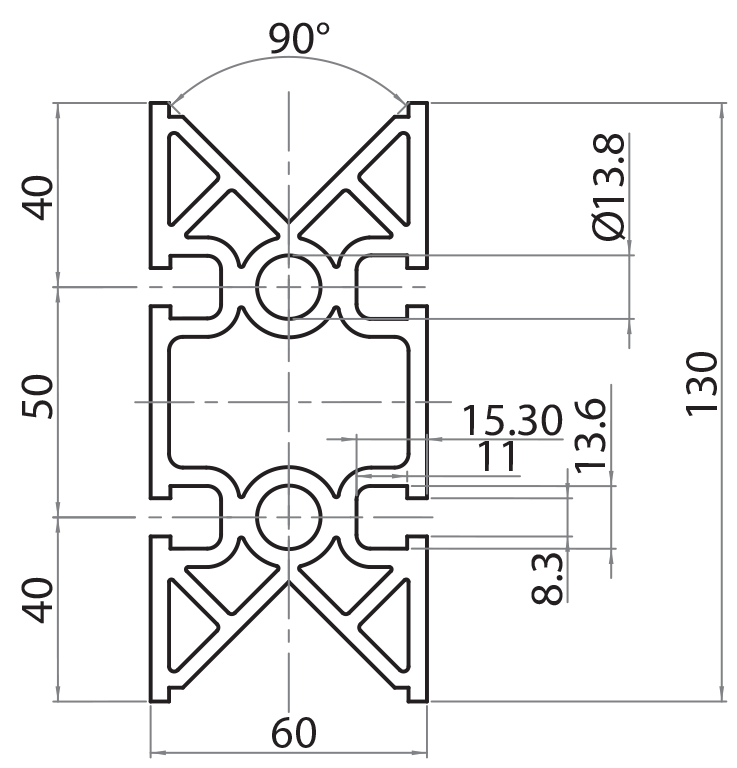
| 1.136,36 cm4 | 376,28 cm4 | Bronzo | Dura | HB 60:75 | 130600 | 7,215 Kg/m | 
| Flessione momento di inerzia lx | Flessione momento di inerzia ly | Colore | Tipo di anodizzazione | Durezza | Riferimento | Peso | 
|---|---|---|---|---|---|---|
| 1.136,36 cm4 | 376,28 cm4 | Bronzo | Dura | HB 60:75 | 130600 | 7,215 Kg/m | 


