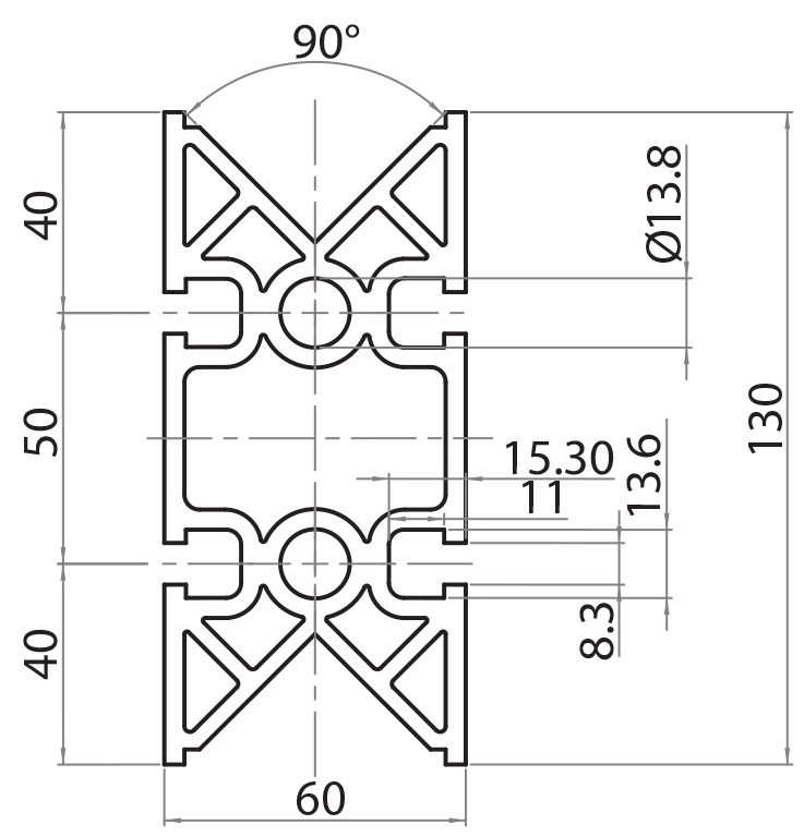
| Traegheitsmoment lx | Traegheitsmoment ly | Farb | Eloxierung | Härte | Produkt No. | Gewicht | 
|---|---|---|---|---|---|---|
| 1.136,36 cm4 | 376,28 cm4 | Bronze | Hart | HB 60:75 | 130600 | 7,215 Kg/m | 
| Traegheitsmoment lx | Traegheitsmoment ly | Farb | Eloxierung | Härte | Produkt No. | Gewicht | 
|---|---|---|---|---|---|---|
| 1.136,36 cm4 | 376,28 cm4 | Bronze | Hart | HB 60:75 | 130600 | 7,215 Kg/m | 


