| Flessione momento di inerzia lx | Flessione momento di inerzia ly | Flessione modulo di resistenza wx | Flessione modulo di resistenza wy | Colore | Riferimento | Peso |
|---|---|---|---|---|---|---|
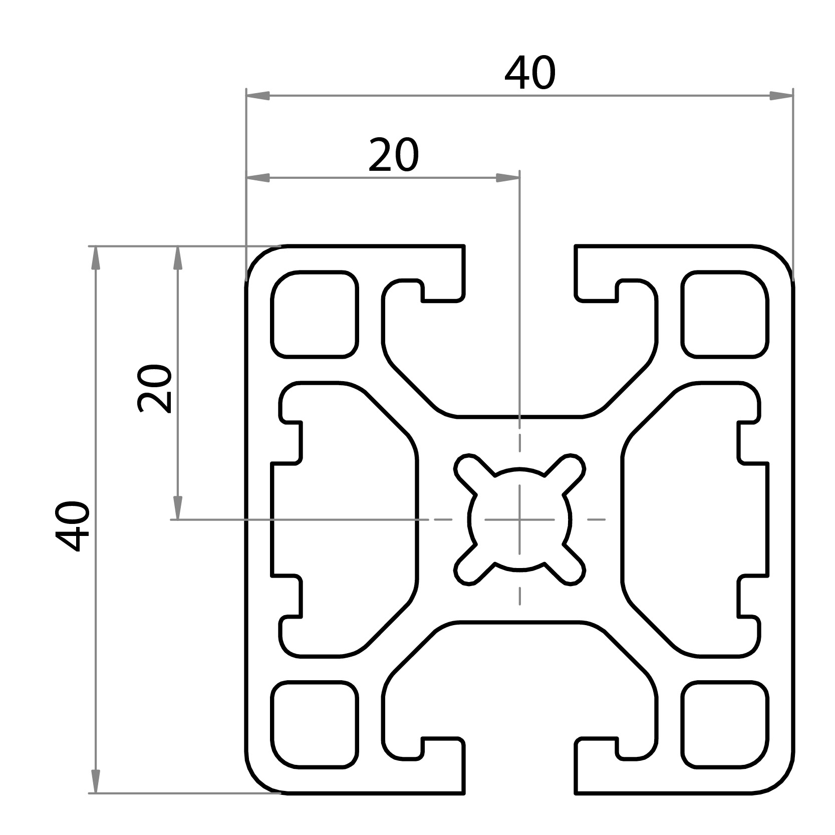
| 9,499 cm4 | 10,715 cm4 | 4,749 cm3 | 5,357 cm3 | Naturale | 124041 | 1,765 Kg/m |
CARATTERISTICHE GENERALI
Lega: AI 6060
Stato fisico: T6
Tolleranze: DIN 17615
Trattamento di superficie: Ossidazione anodica 15 μ mm
(Su ruchiesta: alluminio grezzo / anodizzato nero / verniciato)
Denominazione DIN :3.3206.72
Densità: 2,7 kg/ dm³
Resistenza alla trazione: 220/250 N/mm²
Allungamento: A5=10%/A10=8%
Limite di snervamento: 180/200 N/mm² (0,2%)
Modulo di elasticità: 70000 N/mm² c.a.
Durezza Brinell: 75 HB c.a.
Fornitura: barre di lunghezza mm 6010
Lega: AI 6060
Stato fisico: T6
Tolleranze: DIN 17615
Trattamento di superficie: Ossidazione anodica 15 μ mm
(Su ruchiesta: alluminio grezzo / anodizzato nero / verniciato)
Denominazione DIN :3.3206.72
Densità: 2,7 kg/ dm³
Resistenza alla trazione: 220/250 N/mm²
Allungamento: A5=10%/A10=8%
Limite di snervamento: 180/200 N/mm² (0,2%)
Modulo di elasticità: 70000 N/mm² c.a.
Durezza Brinell: 75 HB c.a.
Fornitura: barre di lunghezza mm 6010


