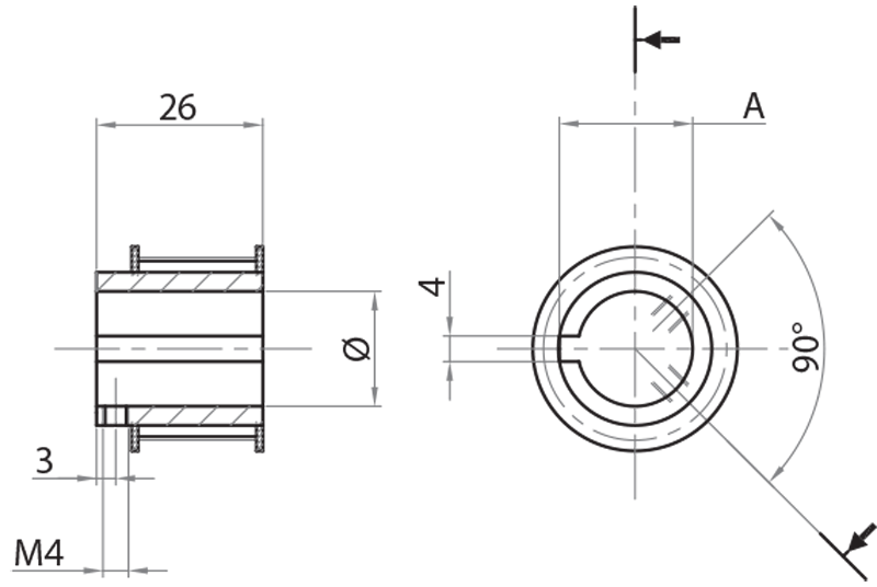
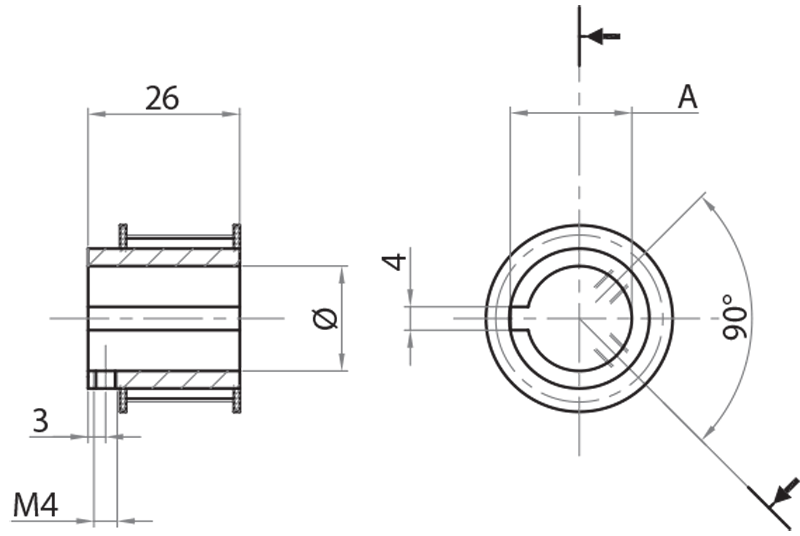
| Riferimento | Materiale | Tipo di motoriduttore | Sede dell'albero (mm) A | Foro (mm) Ø | Peso (Kg) | B | Denti |
|---|---|---|---|---|---|---|---|
| 904506 | alluminio | Ø11 Minimotor | 13,8 | 11 | 0,038 | 4 | z18 |
| 901421 | alluminio | Ø14 MVF30F Bonfiglioli | 16,3 | 14 | 0,040 | 5 | z21 |
| 901821 | alluminio | Ø18 MVF44F Bonfiglioli | 20,6 | 18 | 0,032 | 6 | z21 |
| 904506 | Puleggia dentata per motorid. Ø11 Minimotor | 901821 | 0,00€ | |
| 901421 | Puleggia dentata per motorid. Ø14 MVF30F | 904506 | 0,00€ | |
| 901821 | Puleggia dentata per motorid. Ø18 MVF44F | 901421 | 0,00€ |


