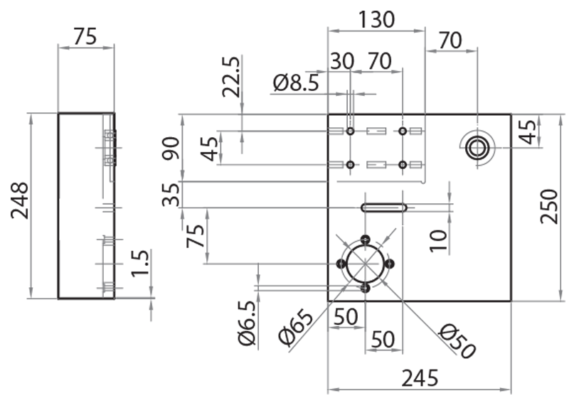
| Art. No. | Material | Supply set |
|---|---|---|
| 909003-DX | sandblasted aluminium | complete with carter, screws and bearing |
| 909003-SX | sandblasted aluminium | complete with carter, screws and bearing |
| 909003-DX | Motor mounting flange - right | 909003-DX | 0.00€ | |
| 909003-SX | Motor mounting flange - left | 909003-SX | 0.00€ |


