| Riferimento | Materiale | Stato di fornitura |
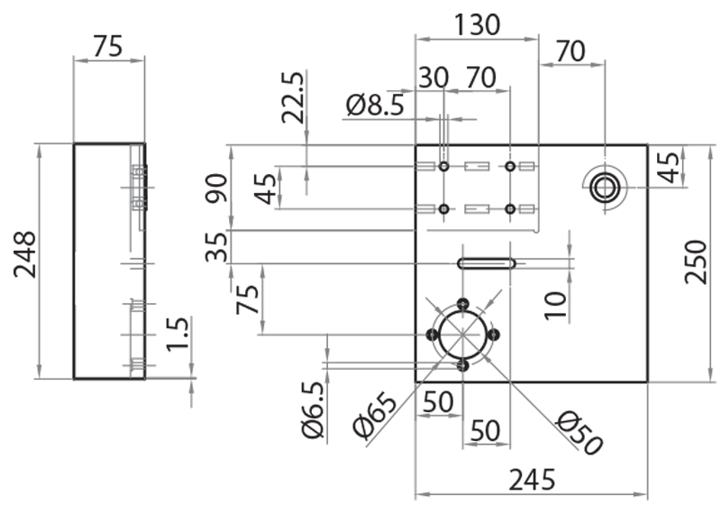
|---|---|---|
| 909003-DX | alluminio sabbiato | completo di carter, viti e cuscinetto |
| 909003-SX | alluminio sabbiato | completo di carter, viti e cuscinetto |
| 909003-DX | Flangia portamotore destra | 909003-DX | 0,00€ | |
| 909003-SX | Flangia portamotore sinistra | 909003-SX | 0,00€ |


