| Art. No. | Material | Gear motor type | Function | Weight (Kg) |
|---|---|---|---|---|
|
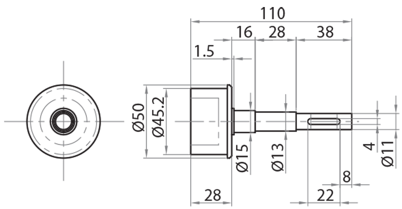
904507 |
zinc plated steel | MINIMOTOR | for Ø50 mm roller realization with direct motorization system | 0,318 |
| Art. No. | Material | Gear motor type | Function | Weight (Kg) |
|---|---|---|---|---|
|
904507 |
zinc plated steel | MINIMOTOR | for Ø50 mm roller realization with direct motorization system | 0,318 |


