| Riferimento | Materiale | Tipo di riduttore | Funzione | Peso (Kg) |
|---|---|---|---|---|
|
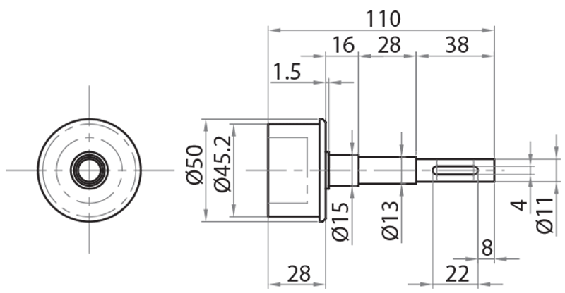
904507 |
acciaio zincato | MINIMOTOR | per la realizzazione di rulli Ø50 mm con traino diretto | 0,318 |
| Riferimento | Materiale | Tipo di riduttore | Funzione | Peso (Kg) |
|---|---|---|---|---|
|
904507 |
acciaio zincato | MINIMOTOR | per la realizzazione di rulli Ø50 mm con traino diretto | 0,318 |


