804591 - Drive unit for 810001 / Motorized linear units z20 / Linear sliding systems / Products / Alutec | Profili in alluminio, sistemi di trasporto e automazione industriale - Alutec Group
804591 - Drive unit for 810001 / Motorized linear units z20 / Linear sliding systems / Products / Alutec | Profili in alluminio, sistemi di trasporto e automazione industriale - Alutec Group

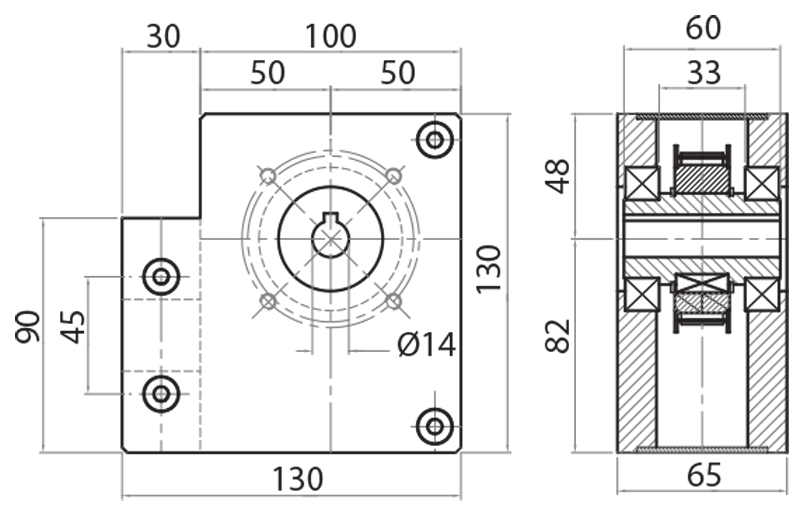
Drive unit for 810001

cod. 804591

Drive unit for 810001


Download
To be able to view files (technical drawings, DXF, DWG...) you must be registered and authenticated
Register o log In
Art. No. Material Pulleys Belt type Shaft and gear motor fastening (mm) Weight (Kg)
804591 aluminium and steel z 20
pitch Ø=63,66 mm
external Ø=61,80 mm
16AT10 Ø14 - Ø68 2,230
Prepared for MVF30 connection