804591 - Antriebseinheit für 810001 / Motorisierbare Lineareinheiten z20 / Lineare Laufsysteme / Produkte / Alutec | Profili in alluminio, sistemi di trasporto e automazione industriale - Alutec Group
804591 - Antriebseinheit für 810001 / Motorisierbare Lineareinheiten z20 / Lineare Laufsysteme / Produkte / Alutec | Profili in alluminio, sistemi di trasporto e automazione industriale - Alutec Group

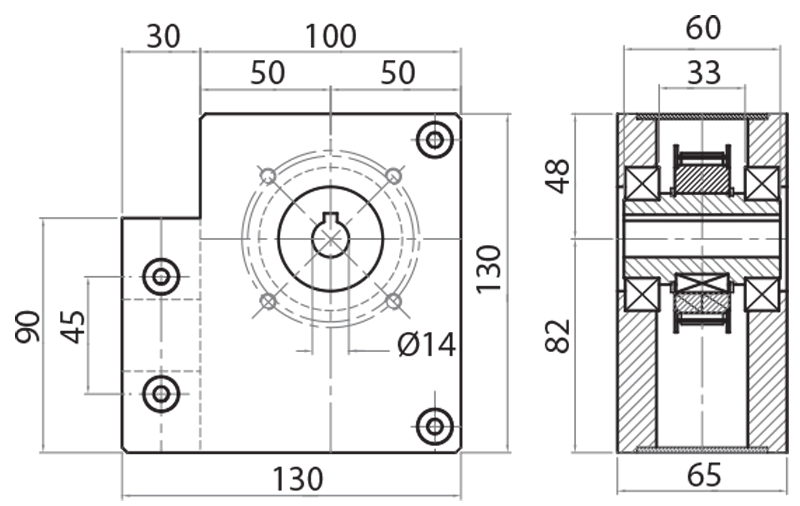
Antriebseinheit für 810001

cod. 804591

Antriebseinheit für 810001


Download
Um Dateien (technische Zeichnungen, DXF, DWG...) ansehen zu können, müssen Sie registriert und authentifiziert sein
Registrieren o authentifizieren
Produkt No. Material Umlenkrollen Bandtype Wellen und Getriebemotorbefestigung (mm) Gewicht (Kg)
804591 Aluminium and Stahl z 20
Teilung Ø=63,66 mm
Extern Ø=61,80 mm
16AT10 Ø14 - Ø68 2,230
Vorbereitet für MVF30-Anschluss