804516 - Drive unit for 810016 and 810016P / Motorized linear units / Linear sliding systems / Products / Alutec | Profili in alluminio, sistemi di trasporto e automazione industriale - Alutec Group
804516 - Drive unit for 810016 and 810016P / Motorized linear units / Linear sliding systems / Products / Alutec | Profili in alluminio, sistemi di trasporto e automazione industriale - Alutec Group

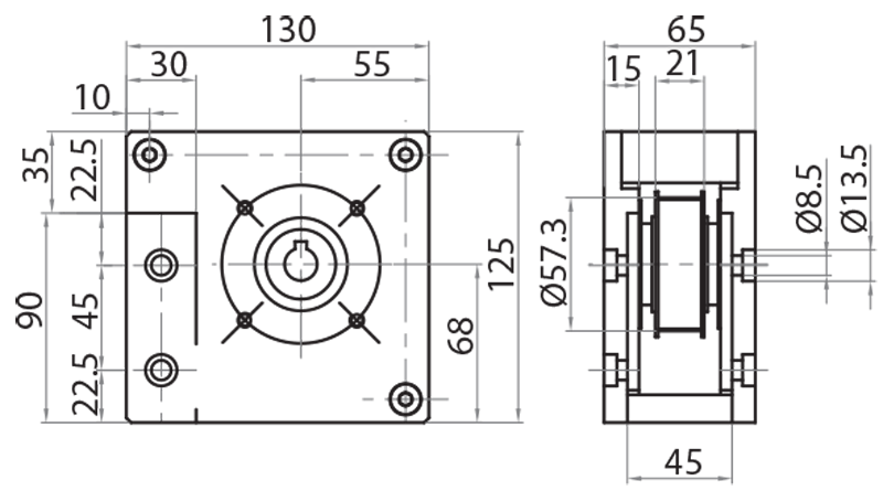
Drive unit for 810016 and 810016P

cod. 804516

Drive unit for 810016 and 810016P


Download
To be able to view files (technical drawings, DXF, DWG...) you must be registered and authenticated
Register o log In
Art. No. Material Pulleys Shaft and gear motor fastening (mm) Type Weight (Kg)
804516 aluminium and steel z 18
pitch Ø=57,30 mm
external Ø=55,45 mm
Ø14 - Ø68 for belt 16AT10 1,900
Suitable for MVF30 fastening