804516 - Antriebseinheit für 810016 und 810016P / Motorisierbare Lineareinheiten / Lineare Laufsysteme / Produkte / Alutec | Profili in alluminio, sistemi di trasporto e automazione industriale - Alutec Group
804516 - Antriebseinheit für 810016 und 810016P / Motorisierbare Lineareinheiten / Lineare Laufsysteme / Produkte / Alutec | Profili in alluminio, sistemi di trasporto e automazione industriale - Alutec Group

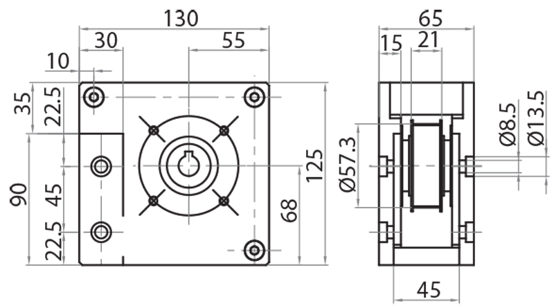
Antriebseinheit für 810016 und 810016P

cod. 804516

Antriebseinheit für 810016 und 810016P


Download
Um Dateien (technische Zeichnungen, DXF, DWG...) ansehen zu können, müssen Sie registriert und authentifiziert sein
Registrieren o authentifizieren
Produkt No. Material Umlenkrollen Wellen und Getriebemotorbefestigung (mm) Type Gewicht (Kg)
804516 Aluminium und Stahl z 18
Teilung Ø=57,30 mm
Extern Ø=55,45 mm
Ø14 - Ø68 für Band 16AT10 1,900
Geeignet für MVF30 Befestigung