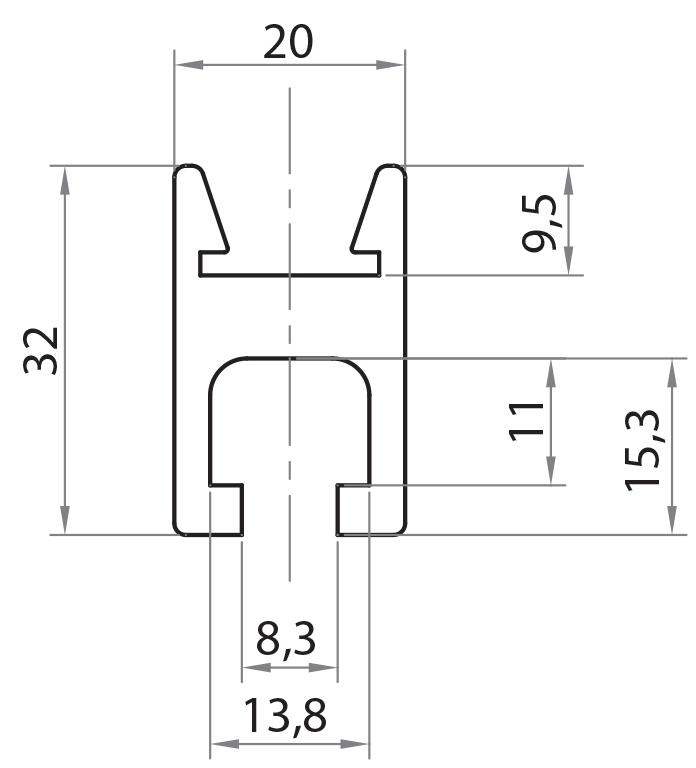
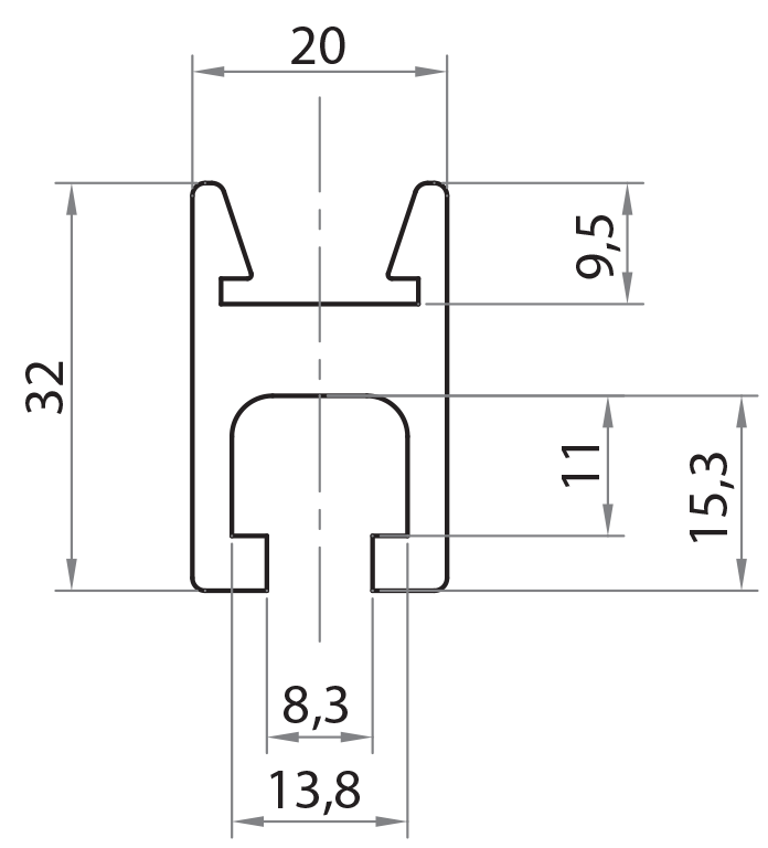
| Bending inertial moment lx | Bending inertial moment ly | Section modulus wx | Section modulus wy | Color | Art. No. | Weight | 
|---|---|---|---|---|---|---|
| 2,27 cm4 | 1,67 cm4 | 1,42 cm3 | 1,67 cm3 | Natural | 102032 | 0,880Kg/m | 
SPECIFICATIONS
Alloy: AI 6060
Physical state: T6
Tolerances: DIN 17615
Coating: Anodic treatment 15 μ mm


