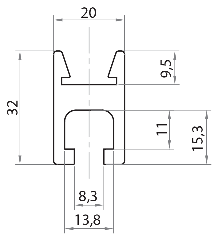
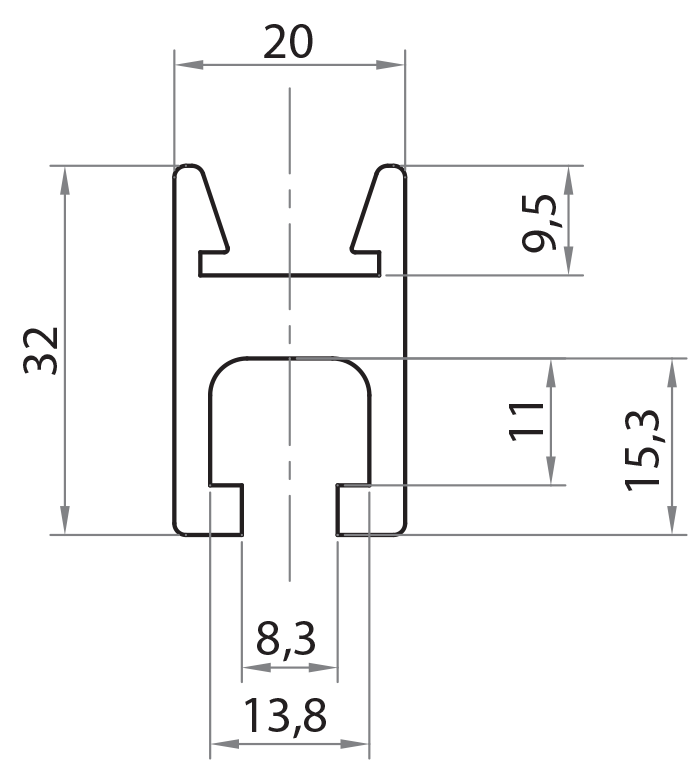
| Flessione momento di inerzia lx | Flessione momento di inerzia ly | Flessione modulo di resistenza wx | Flessione modulo di resistenza wy | Colore | Riferimento | Peso | 
|---|---|---|---|---|---|---|
| 2,27 cm4 | 1,67 cm4 | 1,42 cm3 | 1,67 cm3 | Naturale | 102032 | 0,880Kg/m | 
CARATTERISTICHE GENERALI
Lega: AI 6060
Stato fisico: T6
Tolleranze: DIN 17615
Trattamento di superficie: Ossidazione anodica 15 μ mm


