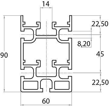
| Bending inertial moment lx | Bending inertial moment ly | Section modulus wx | Section modulus wy | Color | Art. No. | Weight |
|---|---|---|---|---|---|---|
| 97,5 cm4 | 54,5 cm4 | 19,5 cm3 | 18,1 cm3 | Natural | 106090 | 3,900 |
SPECIFICATIONS
Alloy: AI 6060
Physical state: T6
Tolerances: DIN 17615
Coating: Anodic treatment 15 μ mm


