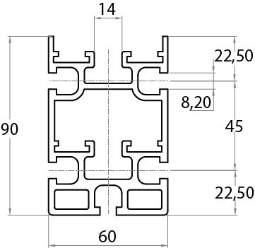
| Flessione momento di inerzia lx | Flessione momento di inerzia ly | Flessione modulo di resistenza wx | Flessione modulo di resistenza wy | Colore | Riferimento | Peso (Kg/m) |
|---|---|---|---|---|---|---|
| 97,5 cm4 | 54,5 cm4 | 19,5 cm3 | 18,1 cm3 | Naturale | 106090 | 3,900 |
CARATTERISTICHE GENERALI
Lega: AI 6060
Stato fisico: T6
Tolleranze: DIN 17615
Trattamento di superficie: Ossidazione anodica 15 μ mm


