| Art. No. | Channel dimension (mm) | Chain width (mm) | Medium radius (mm) | Angle |
|---|---|---|---|---|
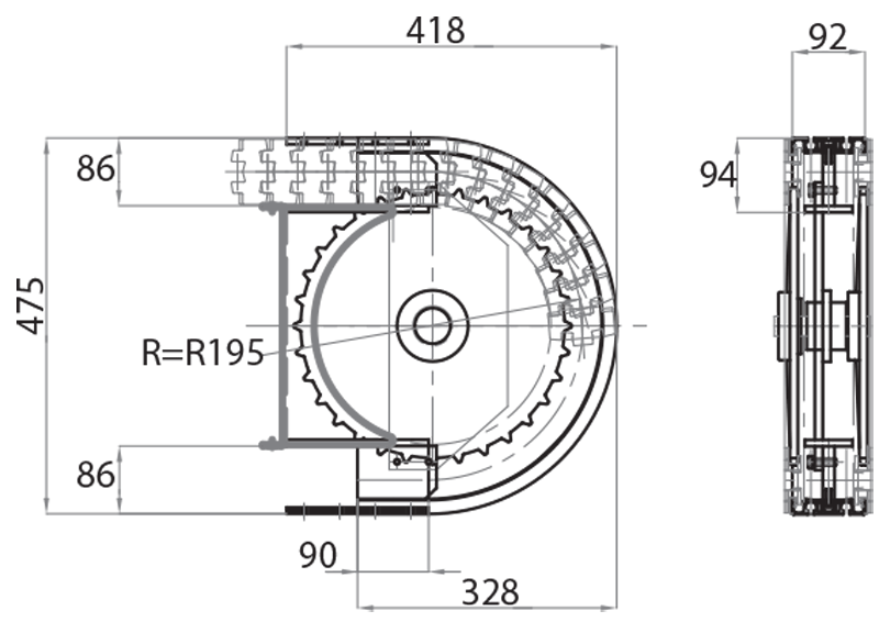
| AR232086-180 | 86 | 82,5 | 200 | 180° |
| AR200086-180* | 86 | 82,5 | 200 | 180° |
* Pulley without teeth
| AR232086-180 | Return 180° idle curve average radius 200 mm | AR232086-180 | 0.00€ | |
| AR200086-180 | Return 180° idle curve average radius 200 mm (pulley without teeth) | AR200086-180 | 0.00€ |


