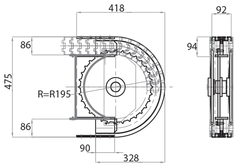
| Produkt No. | Kanalabmessung (mm) | Kettenbreite (mm) | Mittlerer Radius (mm) | Winkel |
|---|---|---|---|---|
| AR232086-180 | 86 | 82,5 | 200 | 180° |
| AR200086-180* | 86 | 82,5 | 200 | 180° |
* Riemenscheibe ohne Zacken
| AR232086-180 | Rücklauf 180° Leerlaufkurve mittlerer Radius 200 mm | AR232086-180 | 0.00€ | |
| AR200086-180 | Rücklauf 180° Leerlaufkurve mittlerer Radius 200 mm (Riemenscheibe ohne Zacken) | AR200086-180 | 0.00€ |


