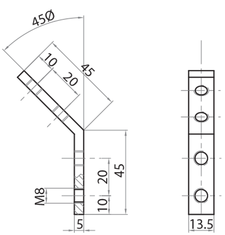
| Art. No. | Material | Assembly set | Function | Angles | Weight (Kg) |
|---|---|---|---|---|---|
| 321345-1 | zinc-coated steel | complete with 4 screws M8 | groove insertable for profiles butt fastening | 45° | 0,036 |
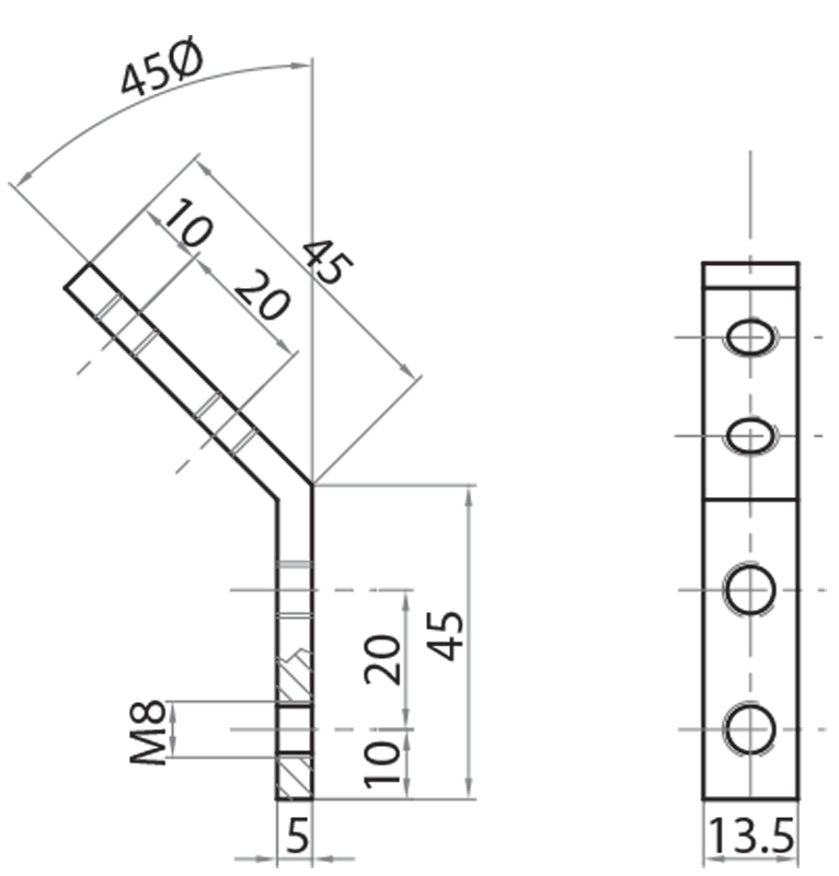
| Art. No. | Material | Assembly set | Function | Angles | Weight (Kg) |
|---|---|---|---|---|---|
| 321345-1 | zinc-coated steel | complete with 4 screws M8 | groove insertable for profiles butt fastening | 45° | 0,036 |


