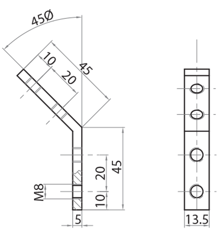
| Riferimento | Materiale | Stato di fornitura | Funzione | Angolazioni | Peso (Kg) |
|---|---|---|---|---|---|
| 321345-1 | acciaio zincato | completo di 4 grani M8 | inseribile in cava per il collegamento di testa dei profili | 45° | 0,036 |
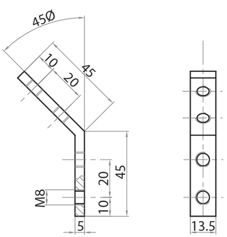
| Riferimento | Materiale | Stato di fornitura | Funzione | Angolazioni | Peso (Kg) |
|---|---|---|---|---|---|
| 321345-1 | acciaio zincato | completo di 4 grani M8 | inseribile in cava per il collegamento di testa dei profili | 45° | 0,036 |


