| Bending moment of inertia lx | Bending moment of inertia ly | Color | Anodizing | Hardness | Art. No. | Weight |
|---|---|---|---|---|---|---|
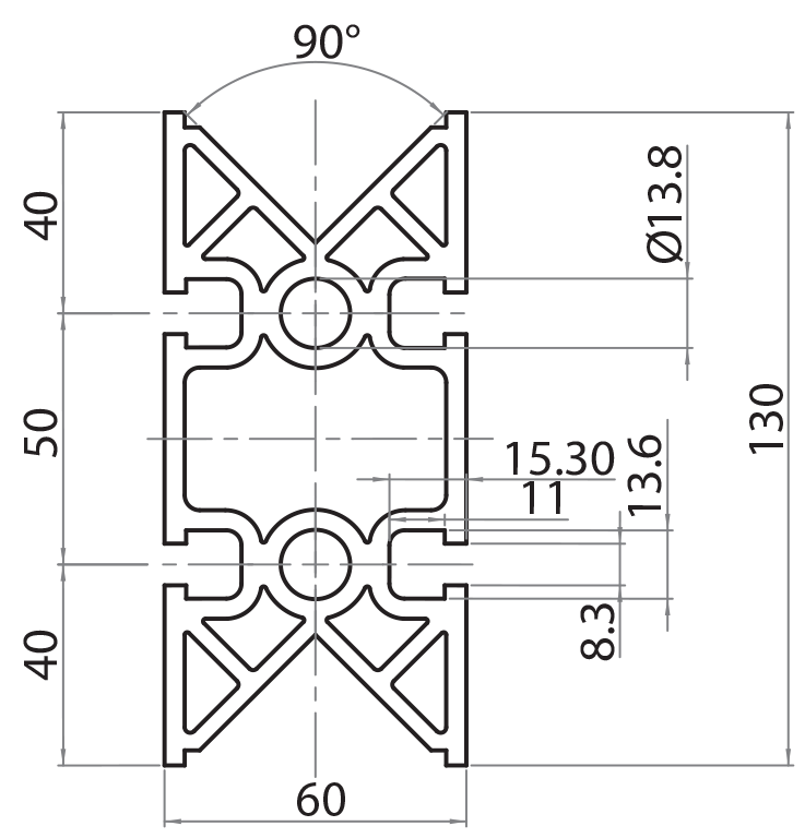
| 1.136,36 cm4 | 376,28 cm4 | Bronze | Hard | HB 60:75 | 130600 | 7,215 Kg/m |
| Bending moment of inertia lx | Bending moment of inertia ly | Color | Anodizing | Hardness | Art. No. | Weight |
|---|---|---|---|---|---|---|
| 1.136,36 cm4 | 376,28 cm4 | Bronze | Hard | HB 60:75 | 130600 | 7,215 Kg/m |


