| Bending inertial moment lx | Bending inertial moment ly | Section modulus wx | Section modulus wy | Color | Art. No. | Weight | 
|---|---|---|---|---|---|---|
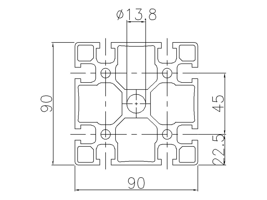
| 175,00 cm4 | 175,00 cm4 | 38,9 cm3 | 38,9 cm3 | Natural | 109090 | 6,000 Kg/m | 
SPECIFICATIONS
Alloy: AI 6060
Physical state: T6
Tolerances: DIN 17615
Coating: Anodic treatment 15 μ mm
(Untreated aluminium / black anodizing / varnished on demand)
DIN designation: 3.3206.72
Density: 2,7 kg/ dm³
Tensile strenght: 220/250 N/mm²
Elongation: A5=10%/A10=8%
Yield strenght: 180/200 N/mm² (0,2%)
Elastic module: 70000 N/mm² c.a.
Brinell hardness: 75 HB c.a.
Supply description: rods lenght mm 6010
Alloy: AI 6060
Physical state: T6
Tolerances: DIN 17615
Coating: Anodic treatment 15 μ mm
(Untreated aluminium / black anodizing / varnished on demand)
DIN designation: 3.3206.72
Density: 2,7 kg/ dm³
Tensile strenght: 220/250 N/mm²
Elongation: A5=10%/A10=8%
Yield strenght: 180/200 N/mm² (0,2%)
Elastic module: 70000 N/mm² c.a.
Brinell hardness: 75 HB c.a.
Supply description: rods lenght mm 6010


