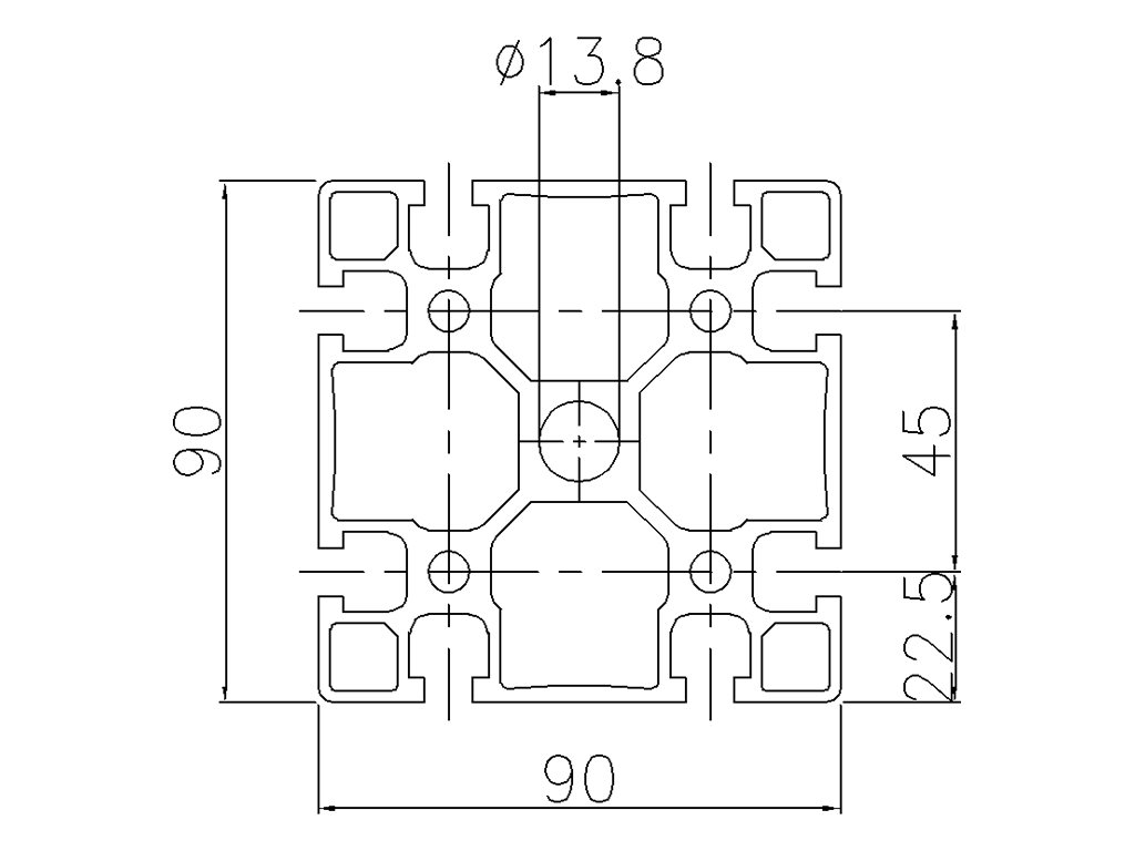
| Traegheitsmoment lx | Traegheitsmoment ly | Modul der Biegefestigkeit wx | Modul der Biegefestigkeit wy | Farb | Produkt No. | Gewicht | 
|---|---|---|---|---|---|---|
| 175,00 cm4 | 175,00 cm4 | 38,9 cm3 | 38,9 cm3 | Natuerlich | 109090 | 6,000 Kg/m | 
EIGENSCHAFTEN
Legierung: AI 6060
Physikalischer Zustand: T6
Toleranzen: DIN 17615
Beschichtung: Anodische Behandlung 15 μ mm
(Unbehandeltes Aluminium / schwarz eloxiert / auf Wunsch lackiert)
DIN-Bezeichnung: 3.3206.72
Dichte: 2,7 kg/ dm³
Zugfestigkeit: 220/250 N/mm²
Dehnung: A5=10%/A10=8%
Streckgrenze: 180/200 N/mm² (0,2%)
Elastisches Modul: 70000 N/mm² c.a.
Brinell-Härte: 75 HB c.a.
Beschreibung der Lieferung: Stangenlänge mm 6010
Legierung: AI 6060
Physikalischer Zustand: T6
Toleranzen: DIN 17615
Beschichtung: Anodische Behandlung 15 μ mm
(Unbehandeltes Aluminium / schwarz eloxiert / auf Wunsch lackiert)
DIN-Bezeichnung: 3.3206.72
Dichte: 2,7 kg/ dm³
Zugfestigkeit: 220/250 N/mm²
Dehnung: A5=10%/A10=8%
Streckgrenze: 180/200 N/mm² (0,2%)
Elastisches Modul: 70000 N/mm² c.a.
Brinell-Härte: 75 HB c.a.
Beschreibung der Lieferung: Stangenlänge mm 6010


