80455025 - Drive unit for 810050 and 810050P / Motorized linear units / Linear sliding systems / Products / Alutec | Profili in alluminio, sistemi di trasporto e automazione industriale - Alutec Group
80455025 - Drive unit for 810050 and 810050P / Motorized linear units / Linear sliding systems / Products / Alutec | Profili in alluminio, sistemi di trasporto e automazione industriale - Alutec Group

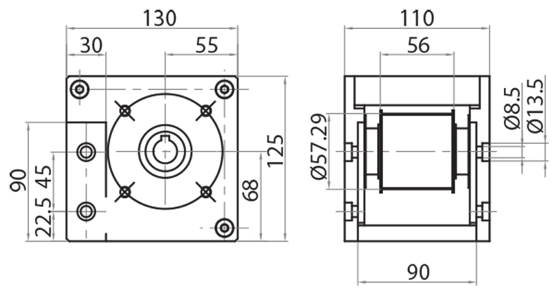
Drive unit for 810050 and 810050P

cod. 80455025

Drive unit for 810050 and 810050P


Download
To be able to view files (technical drawings, DXF, DWG...) you must be registered and authenticated
Register o log In
Art. No. Material Pulleys Shaft and gear motor fastening (mm) Type Weight (Kg)
804550 aluminium and steel z 18
dp=57,30 de=55,45
Ø18 - Ø87 for belt 50AT10 2,5
80455025 aluminium and steel z 18
dp=57,30 de=55,45
Ø25 - Ø90 for belt 50AT10 2,5