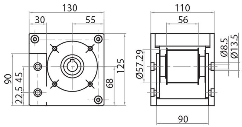
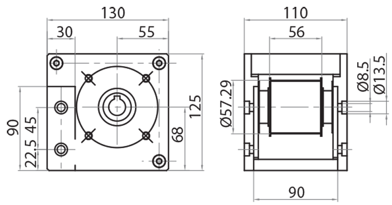
| Riferimento | Materiale | Pulegge | Attacco albero e motoriduttore (mm) | Tipo | Peso (Kg) |
|---|---|---|---|---|---|
| 804550 | alluminio e acciaio | z 18 dp=57,30 de=55,45 |
Ø18 - Ø87 | per cinghia 50AT10 | 2,5 |
| 80455025 | alluminio e acciaio | z 18 dp=57,30 de=55,45 |
Ø25 - Ø90 | per cinghia 50AT10 | 2,5 |


