731110 - Tubo quadro in alluminio 10x10 mm / Morsetti e supporti per fotocellule / Supporti e guide / Prodotti / Alutec | Profili in alluminio, sistemi di trasporto e automazione industriale - Alutec Group
731110 - Tubo quadro in alluminio 10x10 mm / Morsetti e supporti per fotocellule / Supporti e guide / Prodotti / Alutec | Profili in alluminio, sistemi di trasporto e automazione industriale - Alutec Group

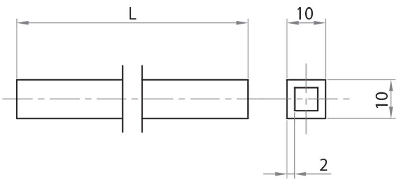
Tubo quadro in alluminio 10x10 mm

cod. 731110

Tubo quadro in alluminio 10x10 mm


Download
Per poter visaulizzare i file (Disegni tecnici, DXF, DWG...) devi essere registrato e autenticato
Registrati o autenticati
Riferimento Materiale L (mm) Tipo di tubo Peso
730013 alluminio 150 10x10 mm 0,021 Kg
731110 alluminio 6.000 10x10 mm 0,140 Kg/m
730013 Tubo quadro in alluminio 10x10 mm L=150 mm 730013 0,00€  
731110 Tubo quadro in alluminio 10x10 mm L=6 m 731110 0,00€