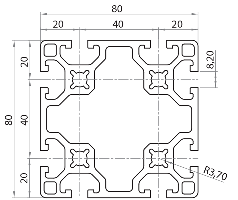
| Flessione momento di inerzia lx | Flessione momento di inerzia ly | Flessione modulo di resistenza wx | Flessione modulo di resistenza wy | Colore | Riferimento | Peso |
|---|---|---|---|---|---|---|
| 128,16 cm4 | 128,16 cm4 | 32,04 cm3 | 32,04 cm3 | Naturale | 108080L | 4,897 Kg/m |
CARATTERISTICHE GENERALI
Lega: AI 6060
Stato fisico: T6
Tolleranze: DIN 17615
Trattamento di superficie: Ossidazione anodica 15 μ mm
(Su ruchiesta: alluminio grezzo / anodizzato nero / verniciato)
Denominazione DIN :3.3206.72
Densità: 2,7 kg/ dm³
Resistenza alla trazione: 220/250 N/mm²
Allungamento: A5=10%/A10=8%
Limite di snervamento: 180/200 N/mm² (0,2%)
Modulo di elasticità: 70000 N/mm² c.a.
Durezza Brinell: 75 HB c.a.
Fornitura: barre di lunghezza mm 6010
Lega: AI 6060
Stato fisico: T6
Tolleranze: DIN 17615
Trattamento di superficie: Ossidazione anodica 15 μ mm
(Su ruchiesta: alluminio grezzo / anodizzato nero / verniciato)
Denominazione DIN :3.3206.72
Densità: 2,7 kg/ dm³
Resistenza alla trazione: 220/250 N/mm²
Allungamento: A5=10%/A10=8%
Limite di snervamento: 180/200 N/mm² (0,2%)
Modulo di elasticità: 70000 N/mm² c.a.
Durezza Brinell: 75 HB c.a.
Fornitura: barre di lunghezza mm 6010


