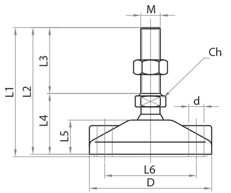
| Produkt No. | Maximale Belastung (Kg) | Durchmesser der Basis (mm) | Durchmesser des Stiels | Gewicht (Kg) | L1 | L2 | L3 | L4 | L5 | L6 | D | M | Ch |
|---|---|---|---|---|---|---|---|---|---|---|---|---|---|
| 419916 | 1200 | 100 | M16 | 0,348 | 114 | 110 | 63 | 47 | 28 | 73,6 | 100 | 16 | 24 |
| 419916/L | 1200 | 100 | M16 | 0,451 | 187 | 183 | 136 | 47 | 28 | 73,6 | 100 | 16 | 24 |
| 419916 | Anti-Vibrations-Gelenkfüß fixierbar 100 M16 H=114mm | 419916 | 0,00€ | |
| 419916L | Anti-Vibrations-Gelenkfüß fixierbar 100 M16 H=187mm | 419916L | 0,00€ |


