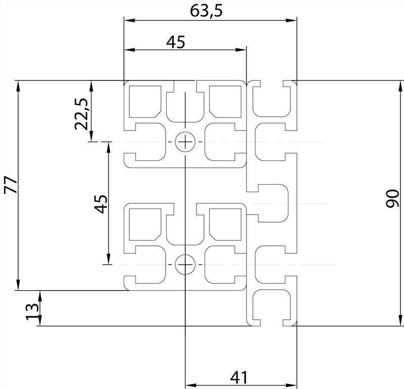
| Traegheitsmoment lx | Traegheitsmoment ly | Modul der Biegefestigkeit wx | Modul der Biegefestigkeit wy | Farb | Produkt No. | Gewicht |
|---|---|---|---|---|---|---|
| 116,5 cm4 | 67,5 cm4 | 25,9 cm3 | 21,3 cm3 | Natuerlich | 106390DX | 5,23 |
EIGENSCHAFTEN
Legierung: AI 6060
Physikalischer Zustand: T6
Toleranzen: DIN 17615
Beschichtung: Anodische Behandlung 15 μ mm
Legierung: AI 6060
Physikalischer Zustand: T6
Toleranzen: DIN 17615
Beschichtung: Anodische Behandlung 15 μ mm


