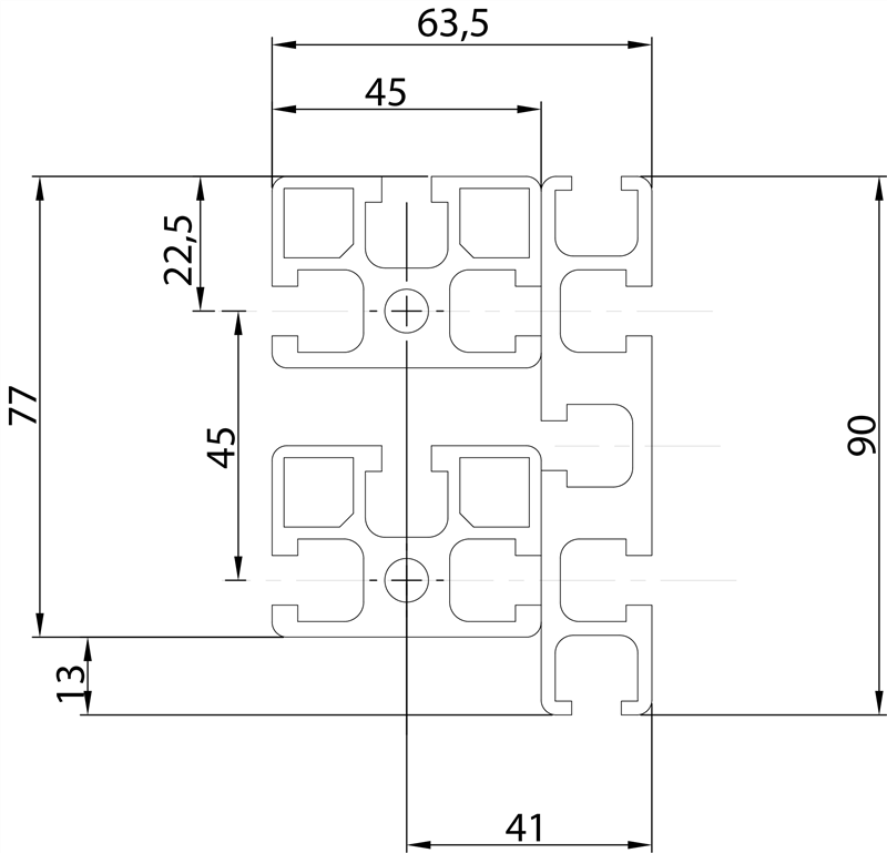
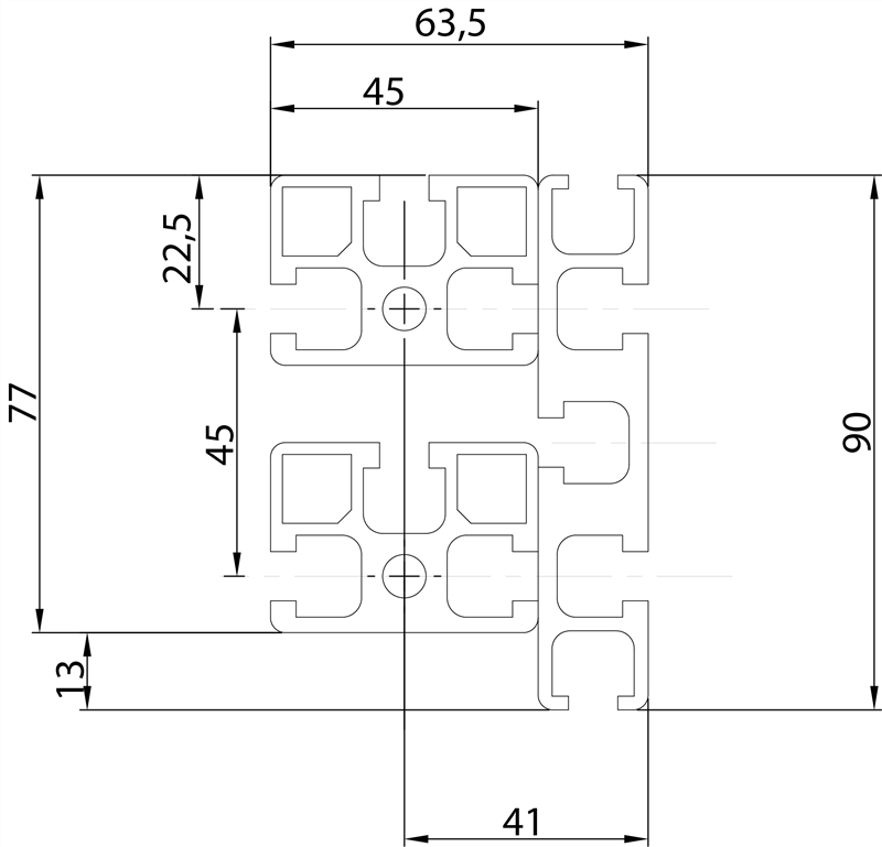
| Bending inertial moment lx | Bending inertial moment ly | Section modulus wx | Section modulus wy | Color | Art. No. | Weight |
|---|---|---|---|---|---|---|
| 116,5 cm4 | 67,5 cm4 | 25,9 cm3 | 21,3 cm3 | Natural | 106390DX | 5,23 |
SPECIFICATIONS
Alloy: AI 6060
Physical state: T6
Tolerances: DIN 17615
Coating: Anodic treatment 15 μ mm


