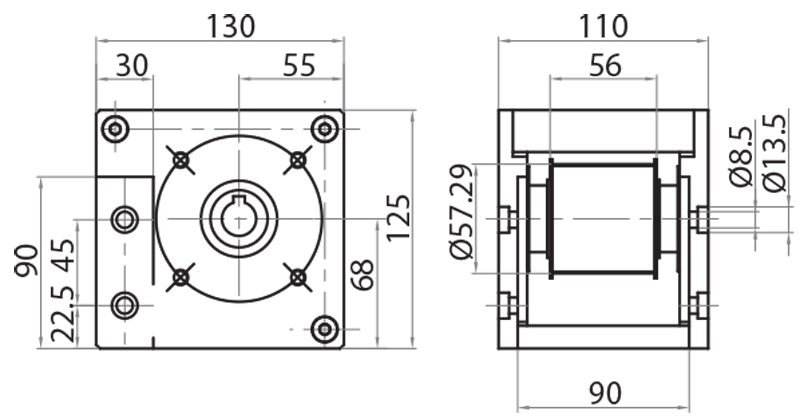
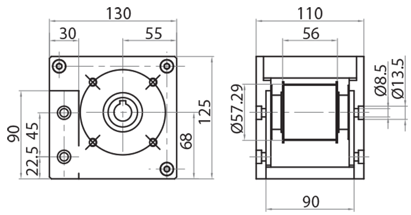
| Produkt No. | Material | Umlenkrollen | Wellen und Getriebemotorbefestigung (mm) | Type | Gewicht (Kg) |
|---|---|---|---|---|---|
| 804550 | Aluminium und Stahl | z 18 Teilung Ø=57,30 mm Extern Ø=55,45 mm |
Ø18 - Ø87 | für Band 50AT10 | 2,500 |
Geeignet für MVF44 Bonfiglioli-Befestigung.
Auch für MVF49 Bonfiglioli-Getriebemotor erhältlich.
Auch für MVF49 Bonfiglioli-Getriebemotor erhältlich.


