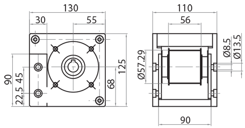
| Riferimento | Materiale | Pulegge | Attacco albero e motoriduttore (mm) | Tipo | Peso (Kg) |
|---|---|---|---|---|---|
| 804550 | alluminio e acciaio | z 18 Ø primitivo=57,30 mm Ø esterno=55,45 mm |
Ø18 - Ø87 | per cinghia 50AT10 | 2,500 |
Predisposta per attacco per MVF44 Bonfiglioli.
Disponibile anche con attacco per MVF49 Bonfiglioli.


