809091 - Antriebseinheit für 810003 / Motorisierbare Lineareinheiten z20 / Lineare Laufsysteme / Produkte / Alutec | Profili in alluminio, sistemi di trasporto e automazione industriale - Alutec Group
809091 - Antriebseinheit für 810003 / Motorisierbare Lineareinheiten z20 / Lineare Laufsysteme / Produkte / Alutec | Profili in alluminio, sistemi di trasporto e automazione industriale - Alutec Group

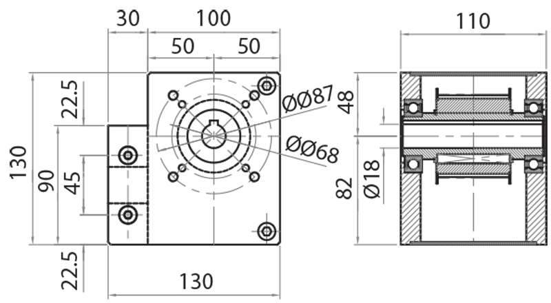
Antriebseinheit für 810003

cod. 809091

Antriebseinheit für 810003


Download
Um Dateien (technische Zeichnungen, DXF, DWG...) ansehen zu können, müssen Sie registriert und authentifiziert sein
Registrieren o authentifizieren
Produkt No. Material Umlenkrollen Bandtype Wellen und Getriebemotorbefestigung (mm) Gewicht (Kg)
809091 Aluminium und Stahl z 20
Teilung Ø=63,66 mm
Extern Ø=61,80 mm
50AT10 Ø18 - Ø87 2,800
Geeignet für MVF44 Bonfiglioli-Befestigung