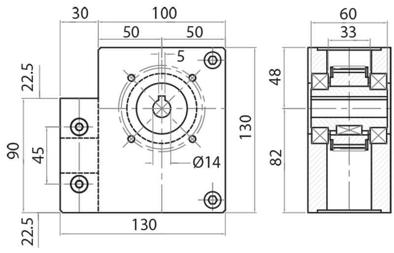
| Produkt No. | Material | Umlenkrollen | Bandtype | Befestigung des Getriebemotors (mm) | Gewicht (Kg) |
|---|---|---|---|---|---|
| 804593/14 | Aluminium und Stahl | z 20 Teilung Ø=63,66 mm Extern Ø=61,80 mm |
25AT10 | Ø14 - Ø68 | 2,500 |
| 804593/18 | Aluminium und Stahl | z 20 Teilung Ø=63,66 mm Extern Ø=61,80 mm |
25AT10 | Ø18 - Ø87 | 2,500 |
Geeignet für MVF30 und MVF44 Befestigung
| 804593/14 | Antriebseinheit für 810002 - Befestigung Ø14 | 804593/14 | 0.00€ | |
| 804593/18 | Antriebseinheit für 810002 - Befestigung Ø18 | 804593/18 | 0.00€ |


