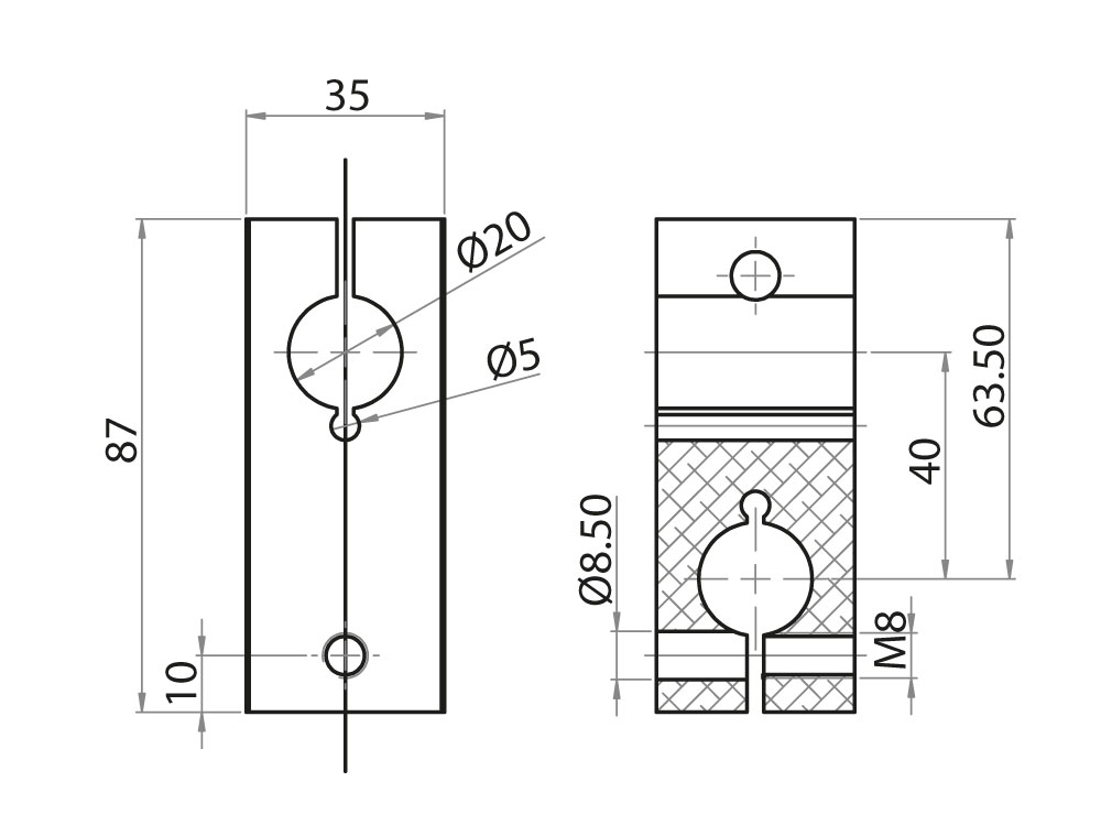
| Riferimento | Materiale | Tipo di tubo | Stato di fornitura | Peso (Kg) |
|---|---|---|---|---|
| 728720 | alluminio sabbiato | Ø20 mm | con n°2 viti
T.C.E.I. M8x35
|
0,210 |
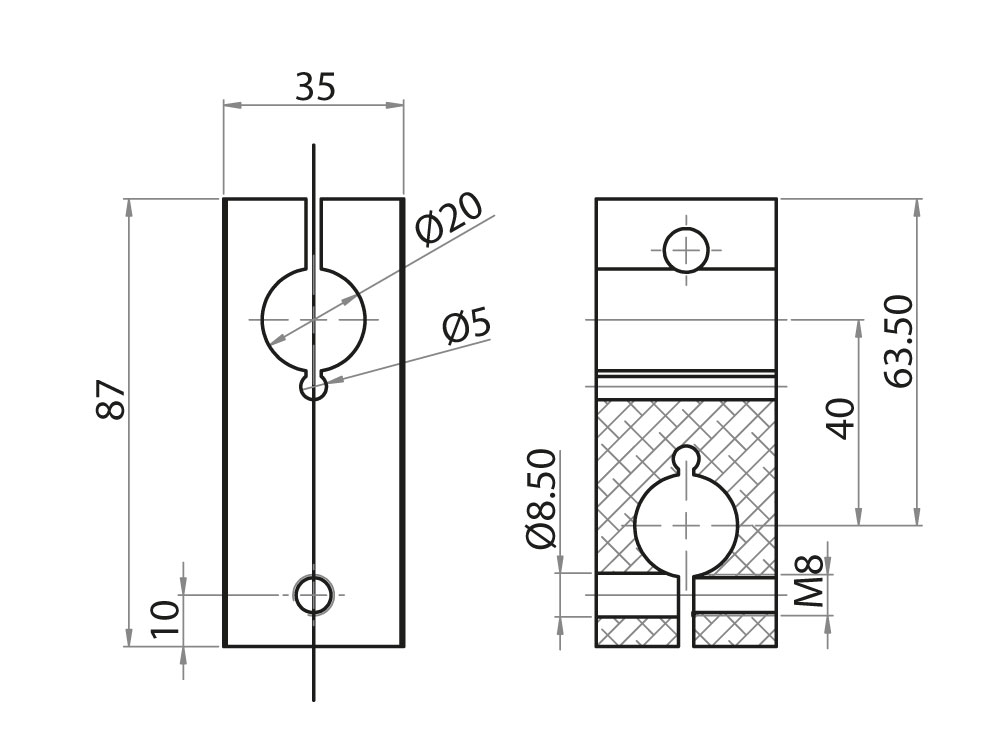
| Riferimento | Materiale | Tipo di tubo | Stato di fornitura | Peso (Kg) |
|---|---|---|---|---|
| 728720 | alluminio sabbiato | Ø20 mm | con n°2 viti
T.C.E.I. M8x35
|
0,210 |


