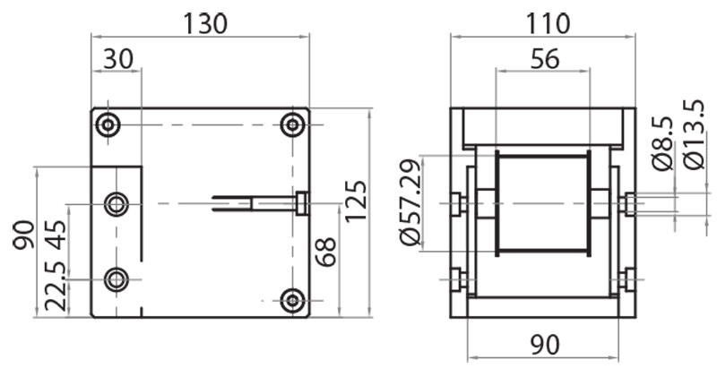
| Riferimento | Materiale | Pulegge | Tipo | Peso (Kg) |
|---|---|---|---|---|
| 804551 | alluminio e acciaio | z 18 Ø primitivo=57,30 mm Ø esterno=55,45 mm |
per cinghia 50AT10 | 2,200 |
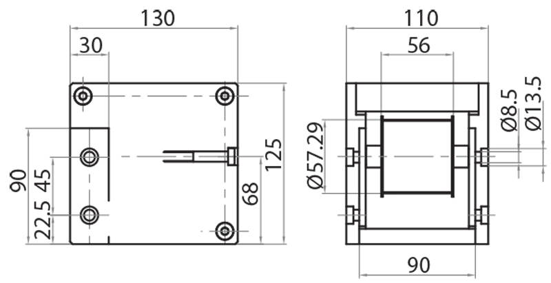
| Riferimento | Materiale | Pulegge | Tipo | Peso (Kg) |
|---|---|---|---|---|
| 804551 | alluminio e acciaio | z 18 Ø primitivo=57,30 mm Ø esterno=55,45 mm |
per cinghia 50AT10 | 2,200 |


